PRODUCTS

  • Home
  • Giới thiệu sản phẩm

INA
3002-2RS-J56
Angular contact ball bearing 3002-2RS-J56
Thêm vào yêu cầu báo giá
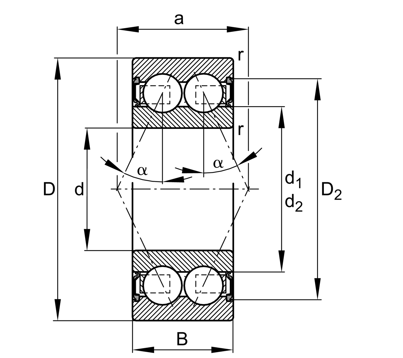
Main Dimensions & Performance Data
d
15 mm
Bore diameter
D
32 mm
Outside diameter
B
13 mm
Width
Cr
8,500 N
Basic dynamic load rating, radial
C0r
5,400 N
Basic static load rating, radial
Cur
280 N
Fatigue load limit, radial
nG
12,900 1/min
Limiting speed
≈m
0.048 kg
Weight

Mounting dimensions
da min
17 mm
Minimum diameter shaft shoulder
Da max
30 mm
Maximum diameter of housing shoulder
ra max
0.3 mm
Maximum fillet radius

Dimensions
rmin
0.3 mm
Minimum chamfer dimension
D1
27.23 mm
Shoulder diameter outer ring
D2
27.84 mm
Caliber diameter outer ring
d1
21.3 mm
Shoulder diameter inner ring
d2
19.88 mm
Caliber diamter inner ring
a
16.3 mm
Distance between the apexes of the pressure cones
α
25 °
Contact angle

Temperature range
Tmin
-20 °C
Operating temperature min.
Tmax
100 °C
Operating temperature max.

Your current product variant
Design variantBBearing without filling slot
Sealing2RSContact seal on both sides
CageTVHsolid cage made of glass-fiber reinforced polyamid PA66
Tolerance classPNNormal (PN)
Dimensional / heat stabilization SNRings dimensional stabilized up to 120°
LubricantGA14Ball bearing grease, low noise, standard for D<=62mm
Axial internal clearanceCNGroup N (CN)
Thêm vào yêu cầu báo giá