PRODUCTS
- Home
- Giới thiệu sản phẩm
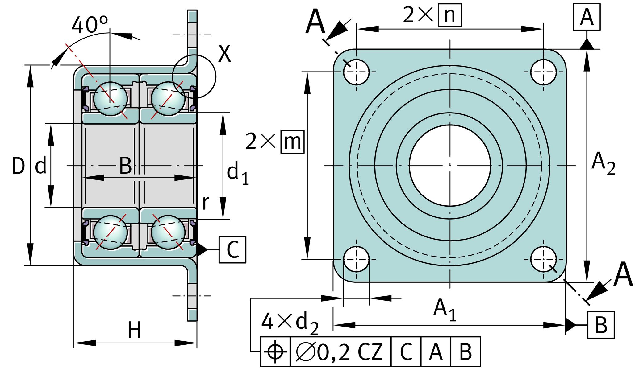
| d | 12 mm | Bore diameter |
0 mm | Bore diameter upper tolerance | |
-0.007 mm | Bore diameter lower tolerance | |
| D | 35.45 mm | Outside diameter bearing pot |
0.03 mm | Outside diameter bearing pot upper tolerance | |
-0.01 mm | Outside diameter bearing pot lower tolerance | |
| B | 20 mm | Width, inner ring |
0.25 mm | Inner ring width upper tolerance | |
-0.25 mm | Inner ring width lower tolerance | |
| Cr | 13,600 N | Basic dynamic load rating, radial |
| C0r | 8,500 N | Basic static load rating, radial |
| Ca | 13,200 N | Basic dynamic load rating, axial |
| C0a | 17,900 N | Basic static load rating, axial |
| Cur | 445 N | Fatigue load limit, radial |
| MRL | 0.16 Nm | Bearing friction torque |
| ≈m | 0.12 kg | Weight |
| da | 14 mm | Diameter shaft shoulder |
| Dai | 27 mm | Support diameter outer ring inside |
| Daa min | 32 mm | Minimum support diameter outer ring outside |
M6 | Screw size | |
| n | 4 | Number of screws |
| t1 | 0.2 mm | Position bore in the housing |
| d1 | 16.6 mm | Rib diameter inner ring |
| rmin | 0.3 mm | Minimum chamfer dimension |
| d2 | 6.6 mm | Fixing boring diameter |
| A1 | 44 mm | Flange width |
| A2 | 50 mm | Height flange |
| m | 38 mm | Bore distance height |
| n | 32 mm | Bore distance width |
| H | 22 mm | Height housing |
0 mm | Height housing upper tolerance | |
-0.5 mm | Height housing lower tolerance |
| caL | 170 N/µm | Rigidity axial |
| Mm | 0.0102 kg*cm2 | Mass moment of inertia |
7 µm | Axial runout | |
ZM12 | Locknut 1 | |
| MA | 8 Nm | Tightening torque nut |
| Sealing | 2RS | Contact lip seals on both sides |