PRODUCTS

  • Home
  • Giới thiệu sản phẩm

INA
GE100-DO-C3
Spherical plain bearing GE100-DO-C3
Thêm vào yêu cầu báo giá
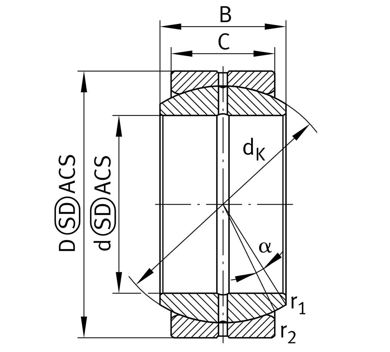
Main Dimensions & Performance Data
d
100 mm
Bore diameter bearing
D
150 mm
Outside diameter bearing
B
70 mm
Width Inner ring
Cr
754,000 N
Basic dynamic load rating, radial
C0r
2,900,000 N
Basic static load rating, radial
≈m
4.3 kg
Weight

Mounting dimensions
r1smin
1 mm
Edge Spacing
r2smin
1 mm
Edge Spacing
da max
109.5 mm
Connection measure Inner ring
Da min
123 mm
Housing Connection Diameter

Dimensions
C
55 mm
Width Outer ring
dK
130 mm
Ball diameter
α
7 °
Tilt angle
dOT
0 mm
Bore diameter bearing, upper tolerance
dUT
-0.02 mm
Bore diameter bearing, lower tolerance
DOT
0 mm
Outside diameter, upper tolerance
DUT
-0.018 mm
Outside diameter, lower tolerance
BOT
0 mm
Width inner ring, upper tolerance
Gr
0,165 - 0,245
Radial Clearance
BUT
-0.2 mm
Width inner ring, lower tolerance
COT
0 mm
Width outer ring, upper tolerance
CUT
-0.5 mm
Width outer ring, lower tolerance

Temperature range
Tmin
-60 °C
Operating temperature min.
Tmax
200 °C
Operating temperature max.

Your current product variant
SealingWithout
Radial internal clearanceC3 (Group 3)Internal clearance larger than CN
Thêm vào yêu cầu báo giá