PRODUCTS

  • Home
  • Giới thiệu sản phẩm

FAG
2203-TVH
Self-aligning ball bearing 2203-TVH
Thêm vào yêu cầu báo giá
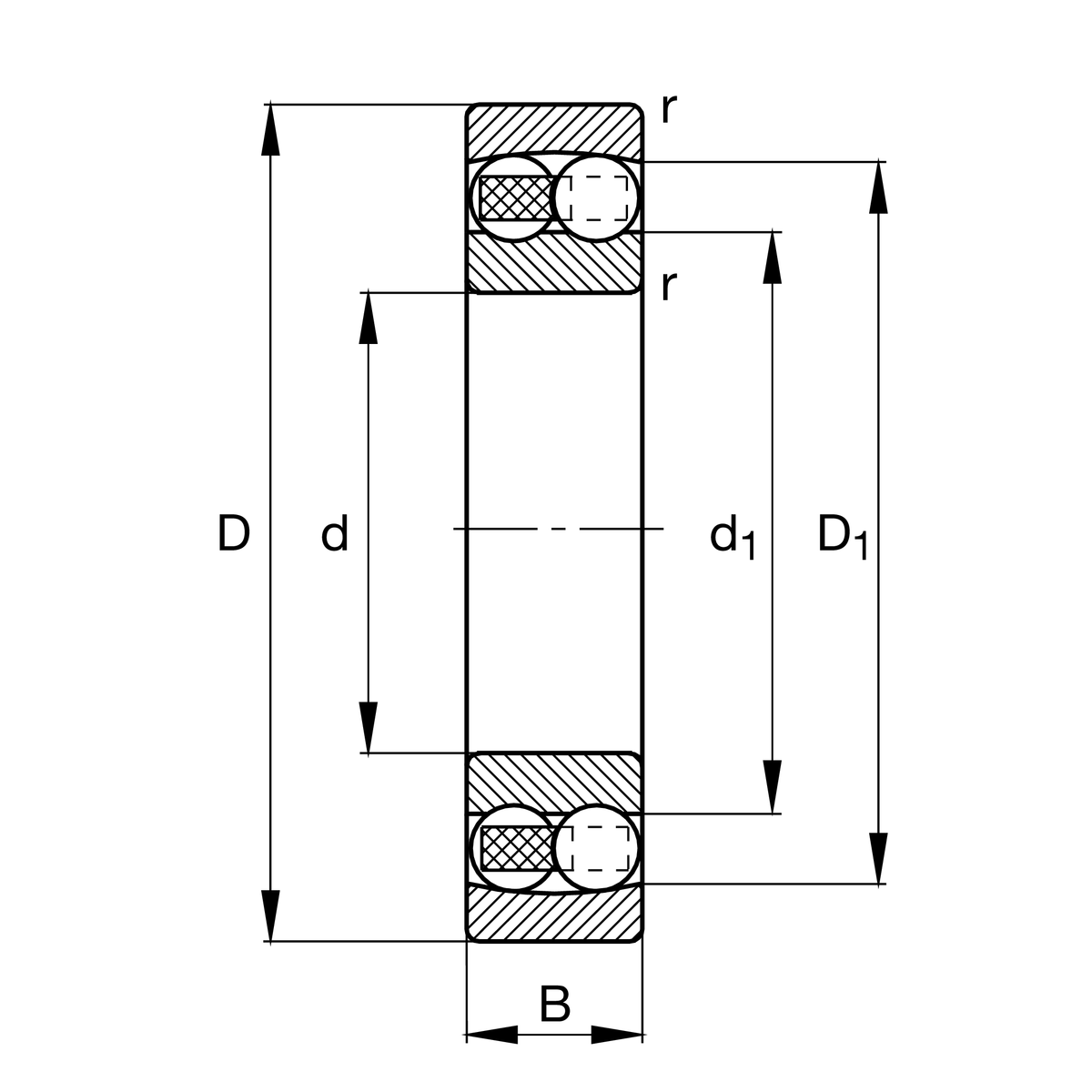
Main Dimensions & Performance Data
d
17 mm
Bore diameter
D
40 mm
Outside diameter
B
16 mm
Width
Cr
11,800 N
Basic dynamic load rating, radial
C0r
2,750 N
Basic static load rating, radial
Cur
176 N
Fatigue load limit, radial
nG
19,100 1/min
Limiting speed
nϑr
17,400 1/min
Reference speed
≈m
0.087 kg
Weight

Mounting dimensions
da min
21.2 mm
Minimum diameter shaft shoulder
Da max
35.8 mm
Maximum diameter of housing shoulder
ra max
0.6 mm
Maximum fillet radius

Dimensions
rmin
0.6 mm
Minimum chamfer dimension
D1
33.86 mm
Shoulder diameter outer ring
d1
23.9 mm
Shoulder diameter inner ring

Temperature range
Tmin
-30 °C
Operating temperature min.
Tmax
120 °C
Operating temperature max.

Calculation factors
e
0.46
Limiting value of Fa/Fr for the applicability of diff. Values of factors X and Y
Y1
1.37
Dynamic axial load factor
Y2
2.11
Dynamic axial load factor
Y0
1.43
Static axial load factor

Your current product variant
Bore typeZCylindrical
SealingWithoutNot sealed
CageTVHsolid cage made of glass-fiber reinforced polyamid PA66
Tolerance classPNNormal (PN)
LubricantWithoutBearing not greased
Radial internal clearanceCN (Group N)Normal internal clearance
Thêm vào yêu cầu báo giá