PRODUCTS

  • Home
  • Giới thiệu sản phẩm

FAG
1316-M
Self-aligning ball bearing 1316-M
Thêm vào yêu cầu báo giá
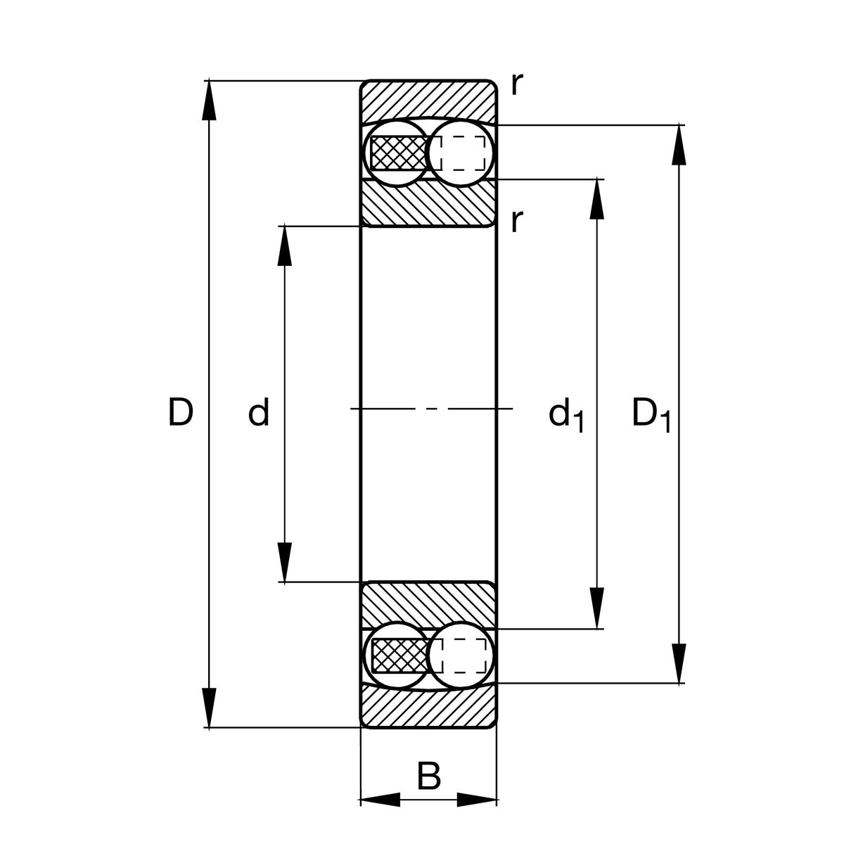
Main Dimensions & Performance Data
d
80 mm
Bore diameter
D
170 mm
Outside diameter
B
39 mm
Width
Cr
89,000 N
Basic dynamic load rating, radial
C0r
33,000 N
Basic static load rating, radial
Cur
1,870 N
Fatigue load limit, radial
nG
6,200 1/min
Limiting speed
nϑr
4,500 1/min
Reference speed
≈m
4.407 kg
Weight

Mounting dimensions
da min
92 mm
Minimum diameter shaft shoulder
Da max
158 mm
Maximum diameter of housing shoulder
ra max
2.1 mm
Maximum fillet radius

Dimensions
rmin
2.1 mm
Minimum chamfer dimension
D1
144.25 mm
Shoulder diameter outer ring
d1
110.62 mm
Shoulder diameter inner ring
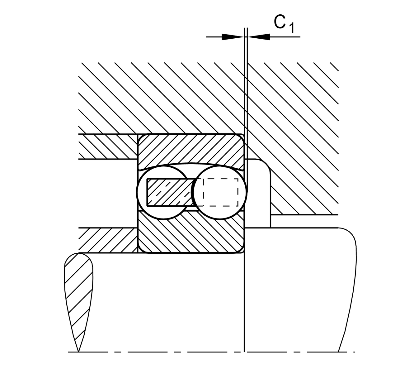
C1
0.1 mm
Overhang rolling element

Temperature range
Tmin
-30 °C
Operating temperature min.
Tmax
150 °C
Operating temperature max.

Calculation factors
e
0.22
Limiting value of Fa/Fr for the applicability of diff. Values of factors X and Y
Y1
2.88
Dynamic axial load factor
Y2
4.46
Dynamic axial load factor
Y0
3.02
Static axial load factor

Your current product variant
Bore typeZCylindrical
SealingWithoutNot sealed
CageMsolid brass cage, ball guided
Tolerance classPNNormal (PN)
LubricantWithoutBearing not greased
Radial internal clearanceCN (Group N)Normal internal clearance
Thêm vào yêu cầu báo giá