PRODUCTS

  • Home
  • Giới thiệu sản phẩm

INA
XU060111-A
Slewing ring, Crossed roller bearing, without gear teeth XU060111-A
Thêm vào yêu cầu báo giá
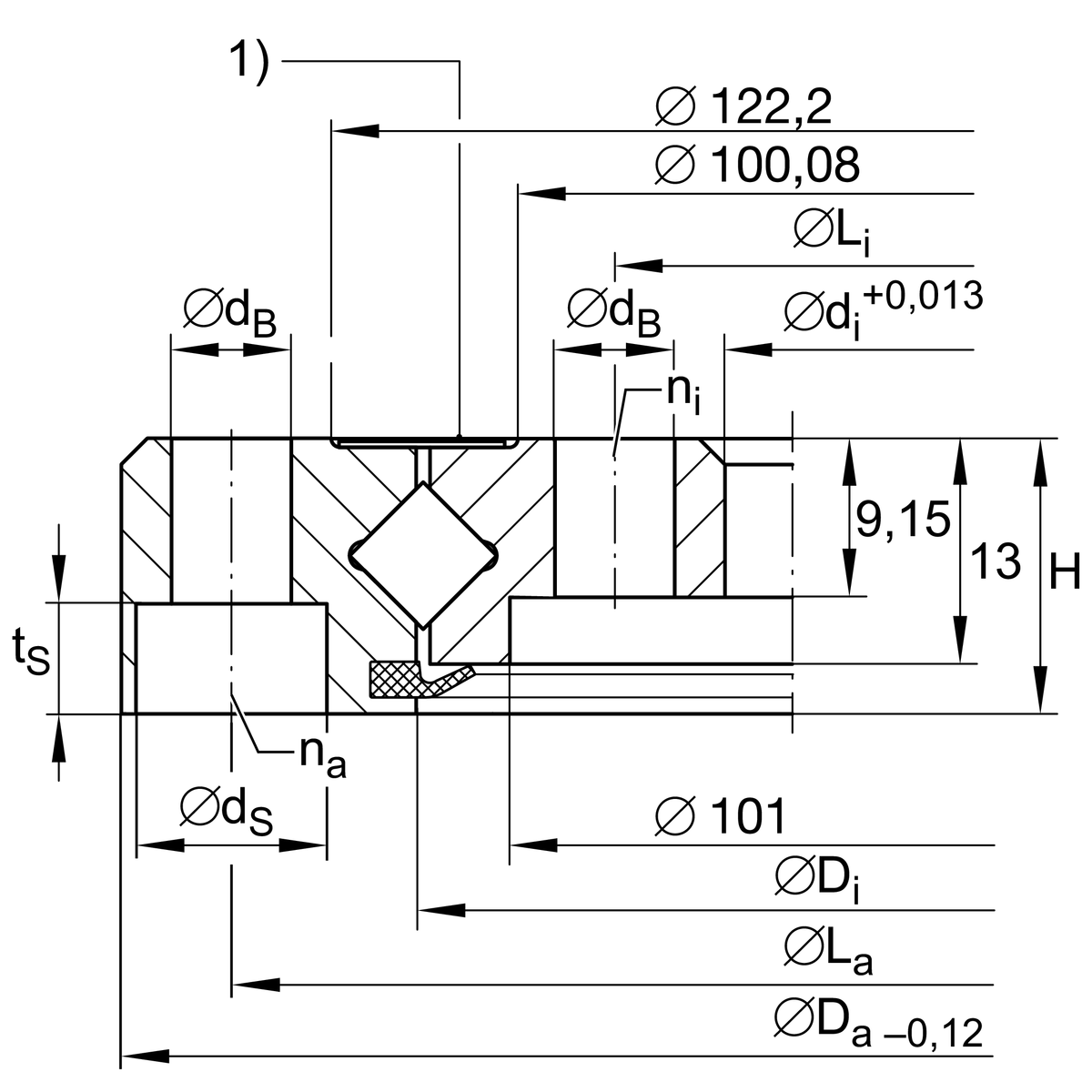
Main Dimensions & Performance Data
di
76.2 mm
Bore Diameter
0.013 mm
Bore diameter upper tolerance
0 mm
Bore diameter lower tolerance
t
9.15 mm
Length centering inner ring
Da
145.79 mm
Outside Diameter
0 mm
Outside diameter upper tolerance
-0.12 mm
Outside diameter lower tolerance
H
15.87 mm
Height
101 mm
Diameter recess turning inner ring
≈m
1.2 kg
Weight

Dimensions
Di
111.8 mm
Inner diameter outer ring
La
133.1 mm
Pitchcircle diameter fixing holes outer ring
na
8
Number of fixing holes in outer ring
hi
13 mm
height of inner ring
dB
6.9 mm
Fixing bore
dS
11 mm
Counterbore diameter of fixing holes
tS
6.35 mm
Counterbore depth of fixing holes
Li
88.9 mm
Pitchcircle diameter fixing holes inner ring
ni
8
Number of fixing holes in inner ring
VSPmin
0.005 mm
Min. bearing preload
VSPmax
0.02 mm
Maximum bearing preload

Temperature range
Tmin
-30 °C
Operating temperature min.
Tmax
80 °C
Operating temperature max.

Calculation factors
Ca
31,500 N
Basic dynamic load rating, axial
Cr
22,500 N
Basic dynamic load rating, radial (for radial load only)
C0a
57,000 N
Basic static load rating, axial
C0r
28,000 N
Basic static load rating, radial (for radial load only)
Fr zu.
7,600 N
Max. radial load screws
Thêm vào yêu cầu báo giá