PRODUCTS

  • Home
  • Giới thiệu sản phẩm

INA
VU130225-VSP0-0,02
Slewing Ring, Four Point contact bearing, without gear teeth VU130225-VSP0-0,02
Thêm vào yêu cầu báo giá
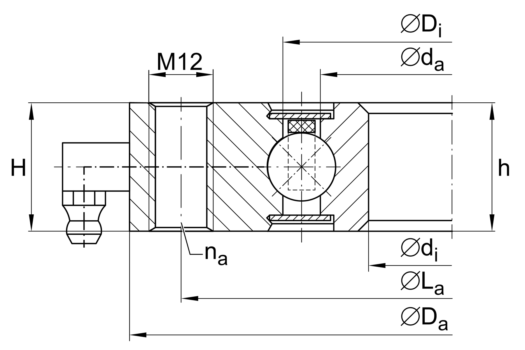
Main Dimensions & Performance Data
di
200 mm
Inner diameter inner ring
0 mm
Inner diameter inner ring lower tolerance
0.03 mm
Inner diameter inner ring upper tolerance
H
24 mm
Height
Da
290 mm
Outside Diameter
ha
24 mm
Width outer ring
hi
24 mm
Width inner ring
≈m
5.46 kg
Weight

Dimensions
Di
237.6 mm
Inner diameter outer ring
da
213 mm
Outside diameter inner ring
M12
Tread fixing bore
La
270 mm
Pitchcircle diameter fixing holes outer ring
na
6
Number of fixing holes in outer ring
Fr zul
24,100 N
Max. radial load fixing screws (friction locking)

Temperature range
Tmin
-25 °C
Operating temperature min.
Tmax
80 °C
Operating temperature max.

Calculation factors
Ca
48,000 N
Basic dynamic load rating, axial
C0a
203,000 N
Basic static load rating, axial
Cr
43,500 N
Basic dynamic load rating, radial (for radial load only)
C0r
93,000 N
Basic static load rating, radial (for radial load only)

Your current product variant
PreloadVSPBearing with preload
Thêm vào yêu cầu báo giá