PRODUCTS

  • Home
  • Giới thiệu sản phẩm

FAG
20320-MB-C3
Barrel roller bearing 20320-MB-C3
Thêm vào yêu cầu báo giá
Main Dimensions & Performance Data
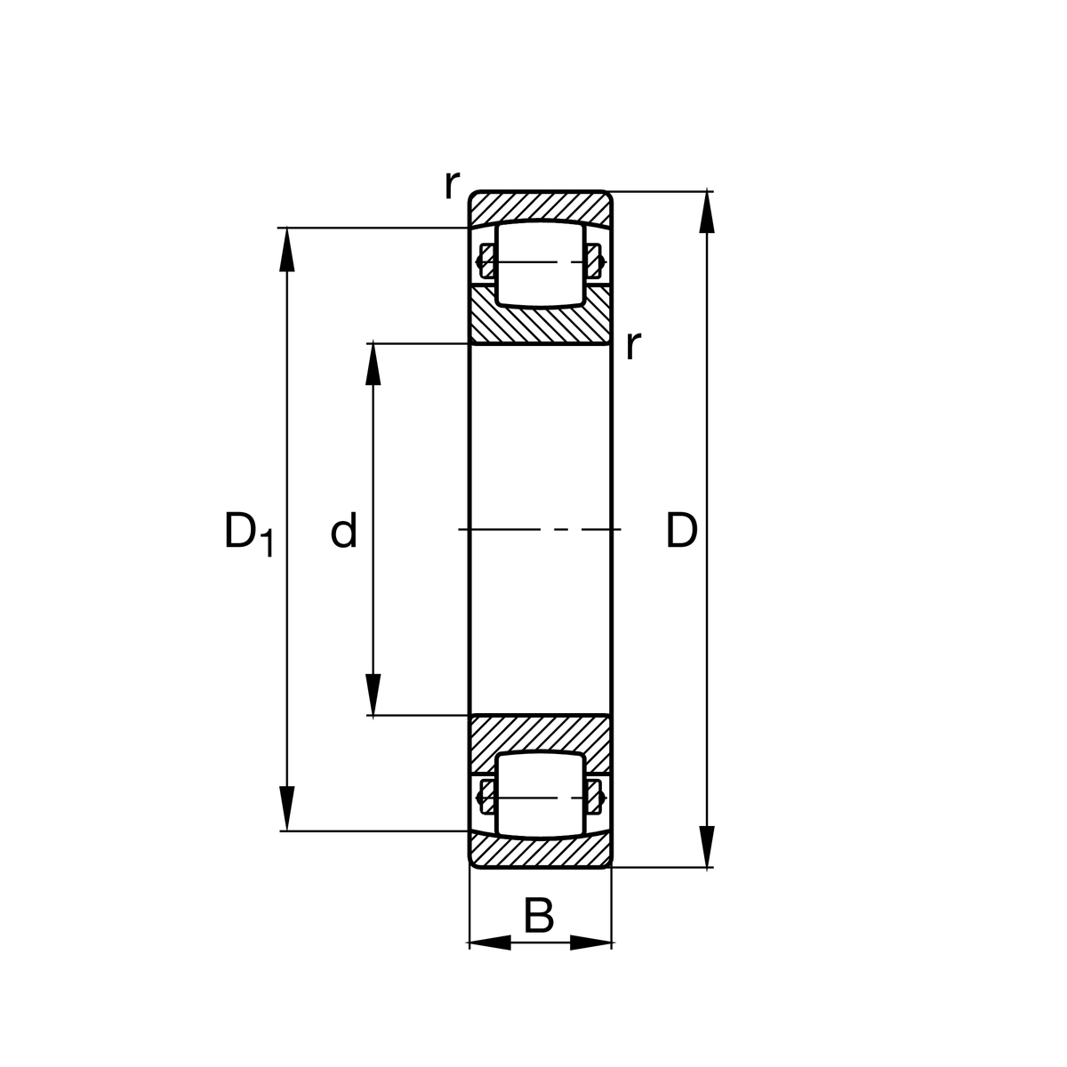
d
100 mm
Bore diameter
D
215 mm
Outside diameter
B
47 mm
Width
Cr
365,000 N
Basic dynamic load rating, radial
C0r
440,000 N
Basic static load rating, radial
Cur
38,500 N
Fatigue load limit, radial
nG
3,250 1/min
Limiting speed
≈m
8.62 kg
Weight

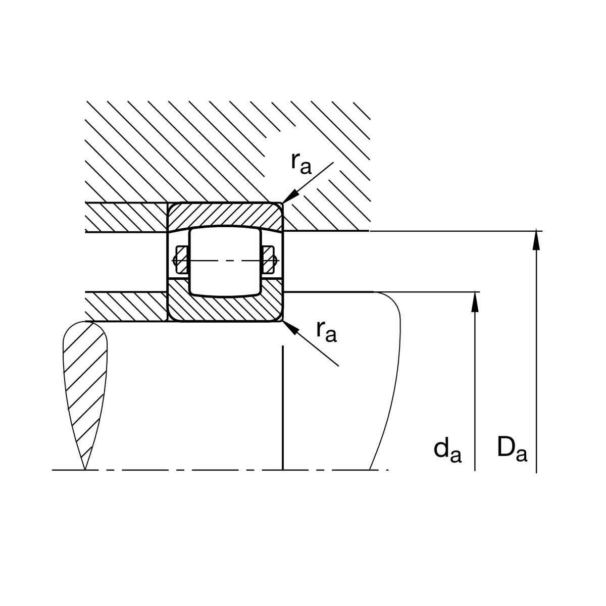
Mounting dimensions
da min
114 mm
Minimum diameter shaft shoulder
Da max
201 mm
Maximum diameter of housing shoulder
ra max
2.5 mm
Maximum recess radius

Dimensions
rmin
3 mm
Minimum chamfer dimension
D1
186.6 mm
Bore diameter outer ring

Temperature range
Tmin
-30 °C
Operating temperature min.
Tmax
200 °C
Operating temperature max.

Your current product variant
Bore typeZCylindrical
CageMBSolid brass cage
Radial internal clearanceC3 (Group 3)Internal clearance larger than CN
Thêm vào yêu cầu báo giá