PRODUCTS

  • Home
  • Giới thiệu sản phẩm

FAG
2215-K-TVH-C3
Self-aligning ball bearing 2215-K-TVH-C3
Thêm vào yêu cầu báo giá
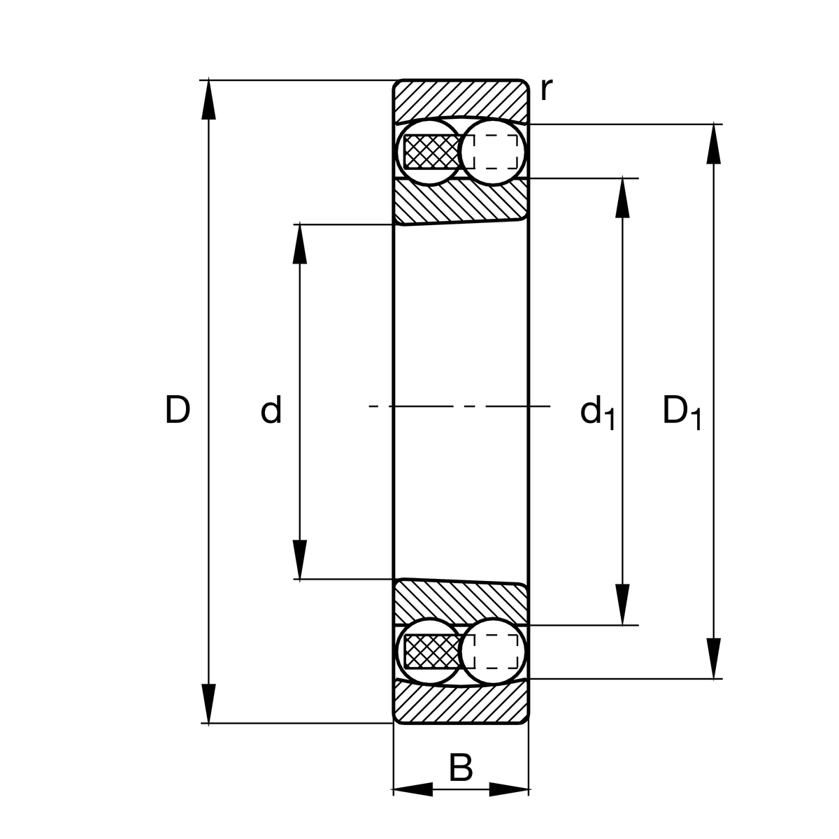
Main Dimensions & Performance Data
d
75 mm
Bore diameter
D
130 mm
Outside diameter
B
31 mm
Width
Cr
44,500 N
Basic dynamic load rating, radial
C0r
17,800 N
Basic static load rating, radial
Cur
1,110 N
Fatigue load limit, radial
nG
5,600 1/min
Limiting speed
nϑr
5,600 1/min
Reference speed
≈m
1.54 kg
Weight

Mounting dimensions
da min
84 mm
Minimum diameter shaft shoulder
da max
90 mm
Maximum diameter shaft shoulder
Da max
121 mm
Maximum diameter of housing shoulder
db min
80 mm
Minimum cavity diameter of the sleeve
Ba min
12 mm
Minimum cavity width of the sleeve
ra max
1.5 mm
Maximum fillet radius

Dimensions
rmin
1.5 mm
Minimum chamfer dimension
D1
114.3 mm
Shoulder diameter outer ring
d1
93.34 mm
Shoulder diameter inner ring

Temperature range
Tmin
-30 °C
Operating temperature min.
Tmax
120 °C
Operating temperature max.

Calculation factors
e
0.25
Limiting value of Fa/Fr for the applicability of diff. Values of factors X and Y
Y1
2.48
Dynamic axial load factor
Y2
3.84
Dynamic axial load factor
Y0
2.6
Static axial load factor

Additional information
H315
Adapter sleeve

Your current product variant
Bore typeKTapered, taper 1:12
SealingWithoutNot sealed
CageTVHsolid cage made of glass-fiber reinforced polyamid PA66
Tolerance classPNNormal (PN)
LubricantWithoutBearing not greased
Radial internal clearanceC3 (Group 3)Internal clearance larger than CN
Thêm vào yêu cầu báo giá