PRODUCTS

  • Home
  • Giới thiệu sản phẩm

FAG
1215-TVH>N
Self-aligning ball bearing 1215-TVH>N
Thêm vào yêu cầu báo giá
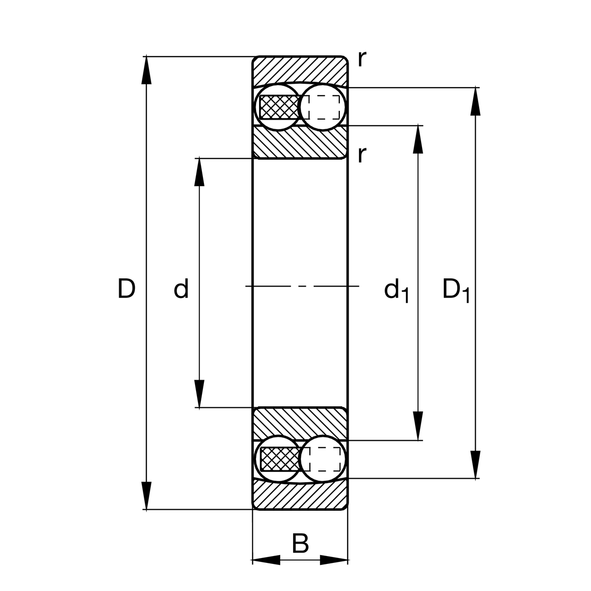
Main Dimensions & Performance Data
d
75 mm
Bore diameter
D
130 mm
Outside diameter
B
25 mm
Width
Cr
39,000 N
Basic dynamic load rating, radial
C0r
15,700 N
Basic static load rating, radial
Cur
980 N
Fatigue load limit, radial
nG
5,700 1/min
Limiting speed
nϑr
5,500 1/min
Reference speed
≈m
1.42 kg
Weight

Mounting dimensions
da min
84 mm
Minimum diameter shaft shoulder
Da max
121 mm
Maximum diameter of housing shoulder
ra max
1.5 mm
Maximum fillet radius

Dimensions
rmin
1.5 mm
Minimum chamfer dimension
D1
113.6 mm
Shoulder diameter outer ring
d1
93.7 mm
Shoulder diameter inner ring

Temperature range
Tmin
-30 °C
Operating temperature min.
Tmax
120 °C
Operating temperature max.

Calculation factors
e
0.18
Limiting value of Fa/Fr for the applicability of diff. Values of factors X and Y
Y1
3.58
Dynamic axial load factor
Y2
5.53
Dynamic axial load factor
Y0
3.75
Static axial load factor

Your current product variant
Version code>NNot marked on bearing
Bore typeZCylindrical
SealingWithoutNot sealed
CageTVHsolid cage made of glass-fiber reinforced polyamid PA66
Tolerance classPNNormal (PN)
LubricantWithoutBearing not greased
Radial internal clearanceCN (Group N)Normal internal clearance
Thêm vào yêu cầu báo giá