PRODUCTS

  • Home
  • Giới thiệu sản phẩm

INA
ZARF70160-L-TV
Needle roller/axial cylindrical roller bearing ZARF70160-L-TV
Thêm vào yêu cầu báo giá
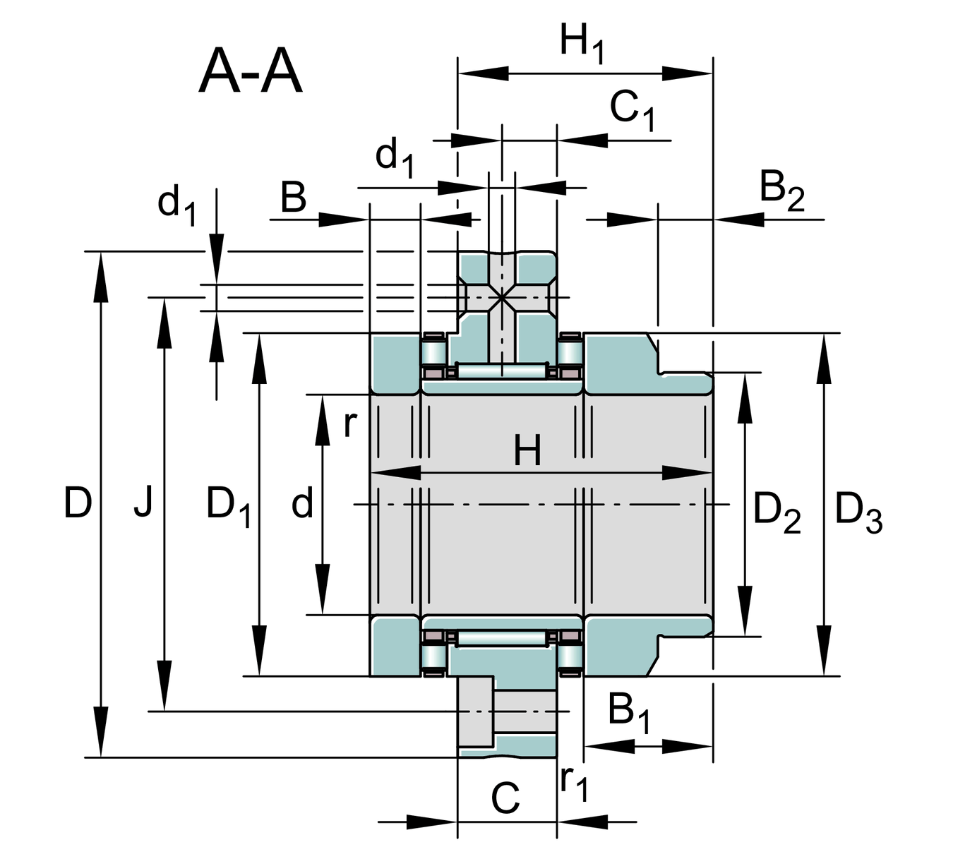
Main Dimensions & Performance Data
d
70 mm
Bore diameter
D
160 mm
Outside diameter
H
103 mm
Hight
Ca
201,000 N
Basic dynamic load rating, axial
C0a
630,000 N
Basic static load rating, axial
Cr
56,000 N
Basic dynamic load rating, radial
C0r
119,000 N
Basic static load rating, radial
Cua
58,000 N
Fatigue load limit, axial
Cur
16,100 N
Fatigue load limit, radial
nG Oil
2,400 1/min
Limiting speed for oil lubrication
nG Grease
800 1/min
Limiting speed for grease lubrication
MRL
4.8 Nm
Bearing friction torque
≈m
5.6 kg
Weight

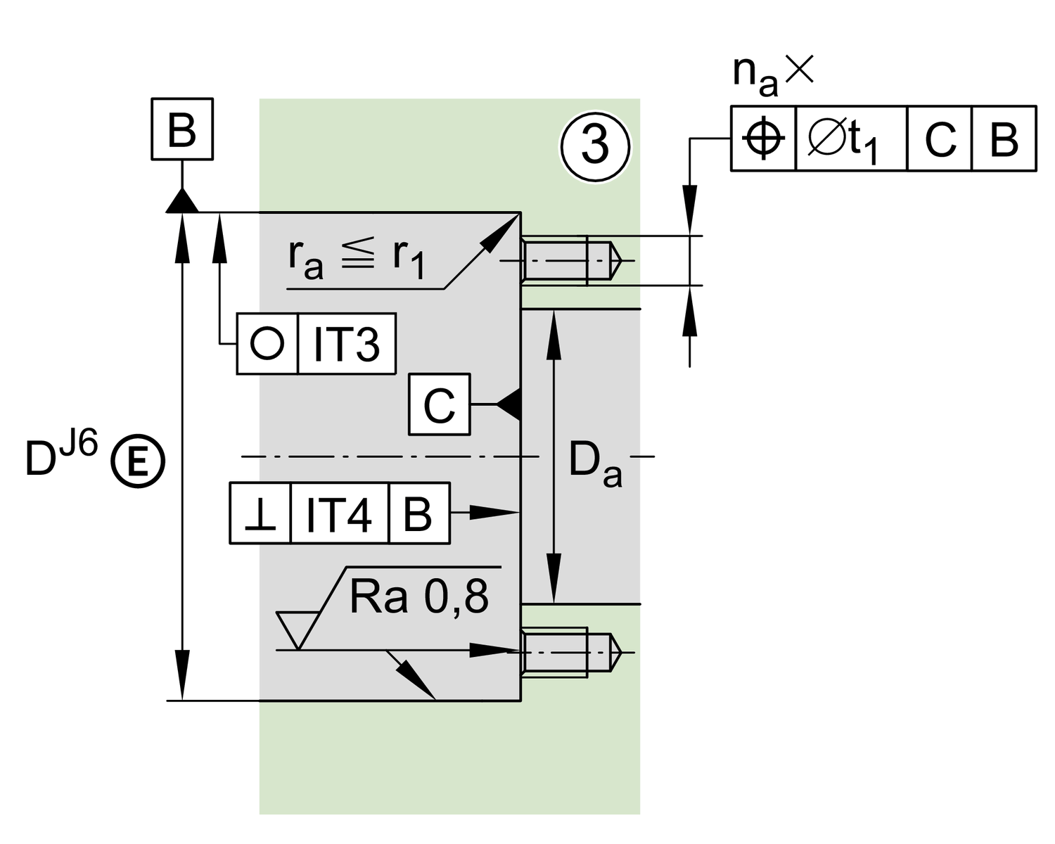
Mounting dimensions
Da max
116 mm
Maximum diameter of housing shoulder
da min
98 mm
Minimum diameter shaft shoulder
t1
0.2 mm
Position bore in the housing

Dimensions
H1
72 mm
Height outer ring over wave washer
C
22.5 mm
Width, outer ring
C1
12.5 mm
Distance to lubrication hole
D1
115 mm
Rip diameter shaft washer
D2
100 mm
Heeldiameter wave washer long
D3
115 mm
Outside diameter wave washer long
B
17.5 mm
Width, wave washer
B1
38.5 mm
Width wave washer long
B2
18 mm
Width heel wave washer long
rmin
0.3 mm
Minimum chamfer dimension
r1 min
0.6 mm
Minimum chamfer dimension
d1
6 mm
Diameter lubrication hole
J
133 mm
Pitch circle diameter (holes)
n
12
Number of screwing holes
n x t
30 °
Split

Temperature range
Tmin
-30 °C
Operating temperature min.
Tmax
120 °C
Operating temperature max.

Additional information
caL
5,800 N/µm
Rigidity axial
ckL
6,000 Nm/mrad
Tilting stiffness
Mm
77.3 kg*cm2
Mass moment of inertia
1 µm
Axial runout
radial
ZMA70/110
Recommended INA precision locknut for radial locking (not included)
axial
AM70
Locknut 2
MA
330 Nm
Tightening torque nut
46,786 N
Preload force axial
100X120X12
Sealing ring
M10
Screw size
na
12
Number of screws
na x ta
30 °
Division (screwing holes)

Your current product variant
CageTVPlastic Cage made from PA66
Locating Feature , bearing outer ringLStepped shaft locating washer extended on one side
Thêm vào yêu cầu báo giá