PRODUCTS

  • Home
  • Giới thiệu sản phẩm

INA
BF7028
Flat cage BF7028
Thêm vào yêu cầu báo giá
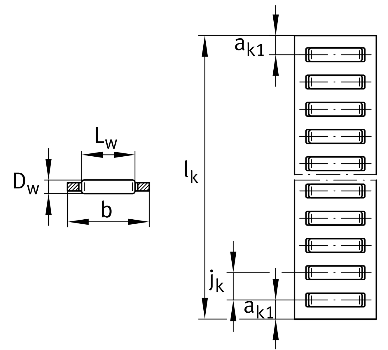
Main Dimensions & Performance Data
lk max
6,000 mm
Max. length 1
DW
7 mm
Rolling element diameter
b
28 mm
C
150,800 N
Load capacity dyn. 2
C0
331,800 N
Load capacity stat. 2
≈m
875 g/m
Weight

Mounting dimensions
EB
28.4 mm
Tol EB
+0,2
tolerance
EB1
24 mm
min.
EH
6.5 mm

Dimensions
LW
24 mm
Length rolling element
jk
11 mm
ak1
7.5 mm

Your current product variant
Size code7028
Thêm vào yêu cầu báo giá