PRODUCTS
- Home
- Giới thiệu sản phẩm
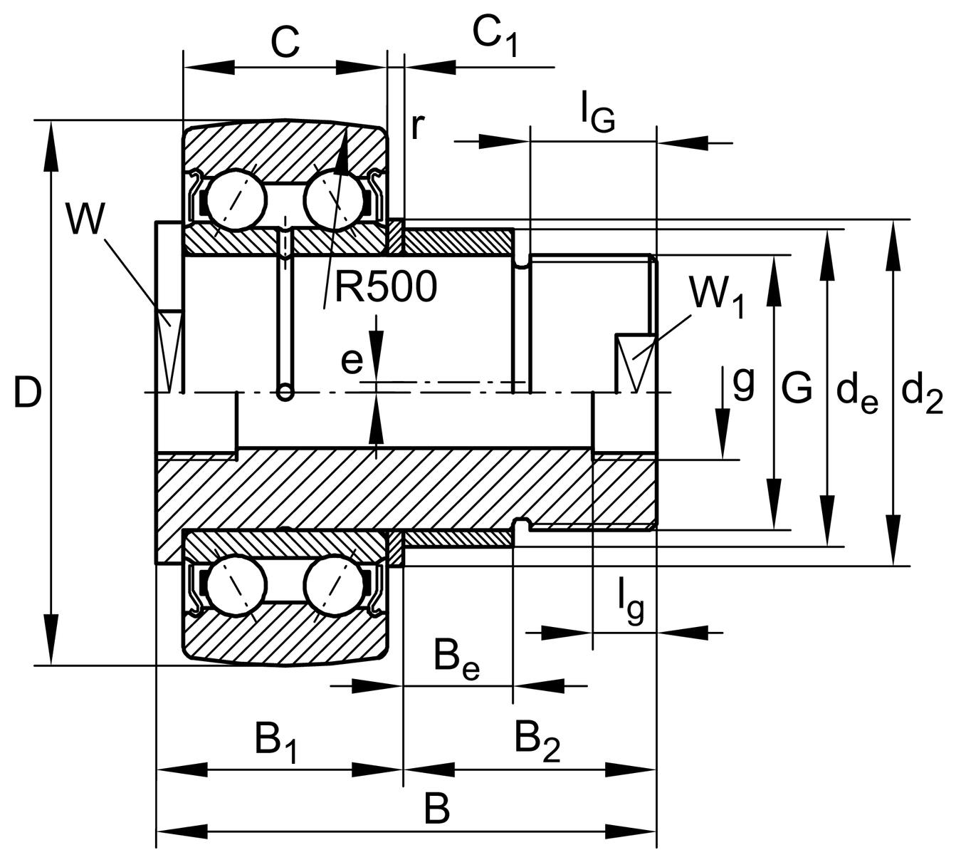
| D | 80 mm | Outside diameter |
| de | 35 mm | Diameter of eccentric |
| B | 99 mm | Width |
| Cr w | 30,000 N | Basic dynamic load rating, radial |
| C0r w | 25,000 N | Basic static load rating, radial |
| Cur w | 1,320 N | Fatigue load limit, radial |
| nD G | 4,650 1/min | Speed on permanent grease lubrication |
| Fr per | 22,100 N | Permissible dynamic load outer ring, radial |
| ≈m | 1.297 kg | Weight |
| B1 max | 35 mm | Maximum witdh of thrust washer |
| B2 | 64 mm | Bolt/stud length effectively |
| C | 27 mm | Width, outer ring |
| C1 | 3 mm | Protrusion outer ring to thrust washer |
| d2 | 45 mm | Stop diameter of thrust washer |
| rmin | 1.1 mm | Minimum chamfer dimension |
| W | 40 mm | Width of flats |
| W1 | 27 mm | Width of flats |
| e | 1.5 mm | Eccentricity |
| Be | 29 mm | Width, eccentric |
| g | M8X1 | Thread inside |
| lg | 8 mm | Thread length (inner) |
| G | M30X1,5 | Thread |
| IG min | 32 mm | Minimum thread length |
| R | 500 mm | Radius of outer ring outside profile |
| MA | 540 Nm | Tightening torque nut |
| Sealing | 2Z | Sealing shield on both sides |
| Outer Ring profile | R500 | R500 |
| Relubrication feature | KS | Via threaded connections on the head and stud |
| Assembling aid head | SF | Spanner flat |
| Mounting aid stud | SF | Spanner flat |