PRODUCTS

  • Home
  • Giới thiệu sản phẩm

FAG
1202-TVH
Self-aligning ball bearing 1202-TVH
Thêm vào yêu cầu báo giá
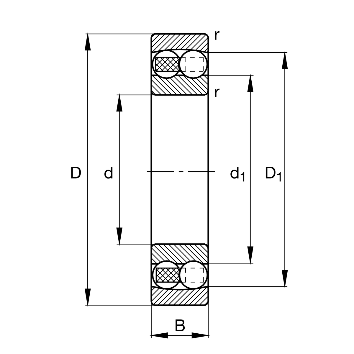
Main Dimensions & Performance Data
d
15 mm
Bore diameter
D
35 mm
Outside diameter
B
11 mm
Width
Cr
7,700 N
Basic dynamic load rating, radial
C0r
1,750 N
Basic static load rating, radial
Cur
111 N
Fatigue load limit, radial
nG
23,800 1/min
Limiting speed
nϑr
19,100 1/min
Reference speed
≈m
0.047 kg
Weight

Mounting dimensions
da min
19.2 mm
Minimum diameter shaft shoulder
Da max
30.8 mm
Maximum diameter of housing shoulder
ra max
0.6 mm
Maximum fillet radius

Dimensions
rmin
0.6 mm
Minimum chamfer dimension
D1
28.79 mm
Shoulder diameter outer ring
d1
20.15 mm
Shoulder diameter inner ring

Temperature range
Tmin
-30 °C
Operating temperature min.
Tmax
120 °C
Operating temperature max.

Calculation factors
e
0.34
Limiting value of Fa/Fr for the applicability of diff. Values of factors X and Y
Y1
1.86
Dynamic axial load factor
Y2
2.88
Dynamic axial load factor
Y0
1.95
Static axial load factor

Your current product variant
Bore typeZCylindrical
SealingWithoutNot sealed
CageTVHsolid cage made of glass-fiber reinforced polyamid PA66
Tolerance classPNNormal (PN)
LubricantWithoutBearing not greased
Radial internal clearanceCN (Group N)Normal internal clearance
Thêm vào yêu cầu báo giá