PRODUCTS

  • Home
  • Giới thiệu sản phẩm

INA
3818-2RS-L404
Angular contact ball bearing 3818-2RS-L404
Thêm vào yêu cầu báo giá
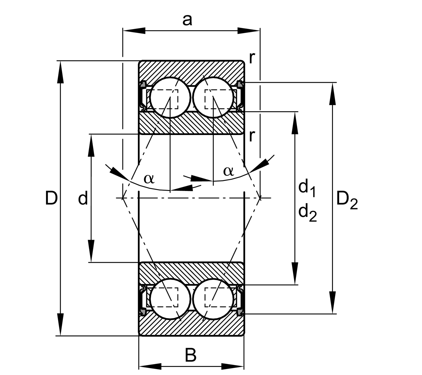
Main Dimensions & Performance Data
d
90 mm
Bore diameter
D
115 mm
Outside diameter
B
19 mm
Width
Cr
27,000 N
Basic dynamic load rating, radial
C0r
35,500 N
Basic static load rating, radial
Cur
2,000 N
Fatigue load limit, radial
nG
2,750 1/min
Limiting speed
≈m
0.42 kg
Weight

Mounting dimensions
da min
94.6 mm
Minimum diameter shaft shoulder
Da max
110.4 mm
Maximum diameter of housing shoulder
ra max
1 mm
Maximum fillet radius

Dimensions
rmin
1 mm
Minimum chamfer dimension
D1
106.63 mm
Shoulder diameter outer ring
D2
107.2 mm
Caliber diameter outer ring
d1
98.44 mm
Shoulder diameter inner ring
d2
96.2 mm
Caliber diamter inner ring
a
55 mm
Distance between the apexes of the pressure cones
α
25 °
Contact angle

Temperature range
Tmin
-30 °C
Operating temperature min.
Tmax
100 °C
Operating temperature max.

Your current product variant
Design variantBBearing without filling slot
Sealing2RSContact seal on both sides
CageTVHsolid cage made of glass-fiber reinforced polyamid PA66
Tolerance classPNNormal (PN)
Dimensional / heat stabilization SNRings dimensional stabilized up to 120°
LubricantL404Grease (L404/customer specific)
Axial internal clearanceCNGroup N (CN)
Thêm vào yêu cầu báo giá