PRODUCTS
- Home
- Giới thiệu sản phẩm
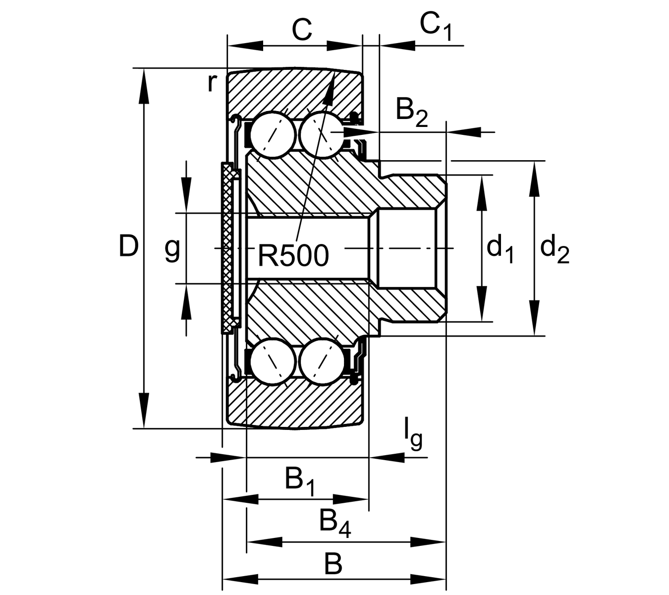
| D | 35 mm | Outside diameter |
| d1 | 14 mm | Fit diameter of roller stud / stud |
| B | 33.2 mm | Width |
| Cr w | 8,700 N | Basic dynamic load rating, radial |
| C0r w | 5,400 N | Basic static load rating, radial |
| Cur w | 270 N | Fatigue load limit, radial |
| nD G | 7,500 1/min | Speed on permanent grease lubrication |
| ≈m | 0.09 kg | Weight |
| B1 max | 19.5 mm | Maximum witdh of thrust washer |
| B2 | 14 mm | Bolt/stud length effectively |
| B4 | 31 mm | Length total |
| C | 15.9 mm | Width, outer ring |
| C1 | 2.6 mm | Protrusion outer ring to thrust washer |
| d2 | 17.1 mm | Stop diameter of thrust washer |
| rmin | 0.6 mm | Minimum chamfer dimension |
| g | M8 | Thread inside |
| lg | 14 mm | Thread length (inner) |
| R | 500 mm | Radius of outer ring outside profile |
| Sealing | DRS | Lip seal on stud side, axial sealing action Sealing shield with cover on the end face |
| Outer Ring profile | R500 | R500 |
| Relubrication feature | Without | Without |
| Assembling aid head | SL | Mounting slot |