PRODUCTS

  • Home
  • Giới thiệu sản phẩm

FAG
UCF201-08
Flanged housing unit UCF201-08
Thêm vào yêu cầu báo giá
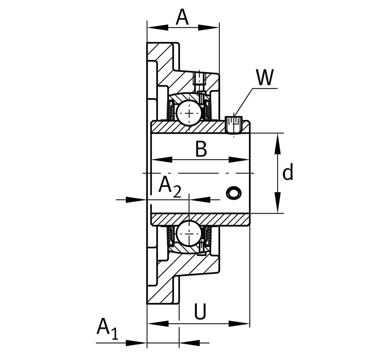
Main Dimensions & Performance Data
d
12.7 mm
Bore diameter
L
86 mm
Flange width
U
33.3 mm
Total height unit
Cr
12,800 N
Basic dynamic load rating, radial
C0r
6,600 N
Basic static load rating, radial
Cur
345 N
Fatigue load limit, radial
≈m
0.62 kg
Weight

Mounting dimensions
J
64 mm
Distance fixing bore
N
12 mm
Fixing bore
N1
64 mm
Distance fixing bore
n
4
Number of screwing holes

Dimensions
A
25.5 mm
Height housing
A1
12 mm
Thickness of flange
A2
15 mm
Distance raceway
B
31 mm
Width
Q
M6
Connection thread for lubrication

Additional information
1
Number of housings
F201
Housing
UC201-08
Bearing designation

Temperature range
Tmin
-20 °C
Operating temperature min.
Tmax
120 °C
Operating temperature max.

Your current product variant
MaterialGGGrey cast iron
Thêm vào yêu cầu báo giá