PRODUCTS

  • Home
  • Giới thiệu sản phẩm

FAG
UCFA201
Take-up housing unit UCFA201
Thêm vào yêu cầu báo giá
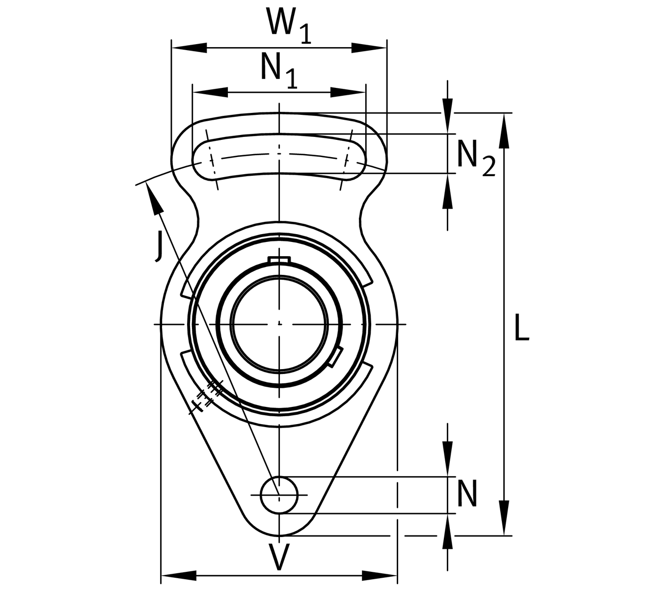
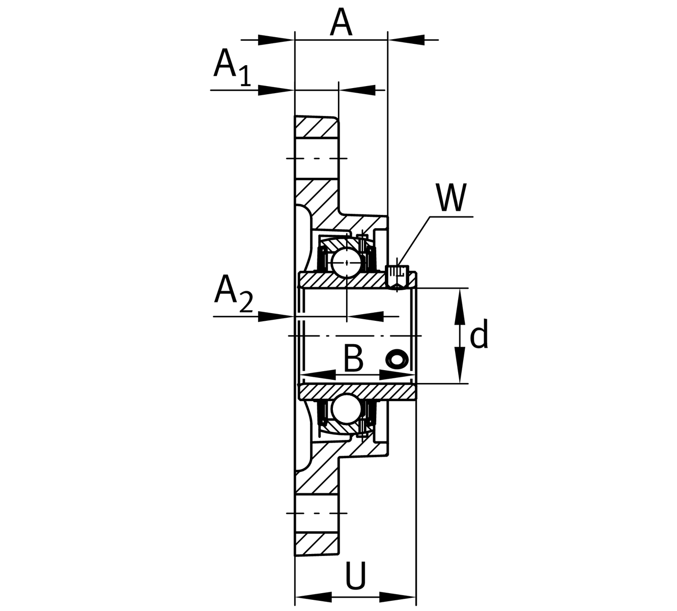
Main Dimensions & Performance Data
d
12 mm
Bore diameter
L
98 mm
Length total
U
33.3 mm
Total height unit
≈m
440 g
Weight

Mounting dimensions
N
10 mm
Fixing bore
N1
40 mm
Length (slot)
N2
10 mm
Width (slot)
J
78 mm
Distance fixing bore

Dimensions
A1
12 mm
Thickness of flange
A2
15 mm
Distance raceway
A
25.5 mm
Height housing
V
60 mm
Shoulder diameter housing
W
50 mm
Width housing slot side
Q
M6
Connection thread for lubrication

Additional information
FA204
Housing
UC201
Bearing designation

Temperature range
Tmin
-20 °C
Operating temperature min.
Tmax
120 °C
Operating temperature max.

Your current product variant
MaterialGGGrey cast iron
Thêm vào yêu cầu báo giá