PRODUCTS

  • Home
  • Giới thiệu sản phẩm

FAG
S6206-2RSR-FD
Deep groove ball bearing S6206-2RSR-FD
Thêm vào yêu cầu báo giá
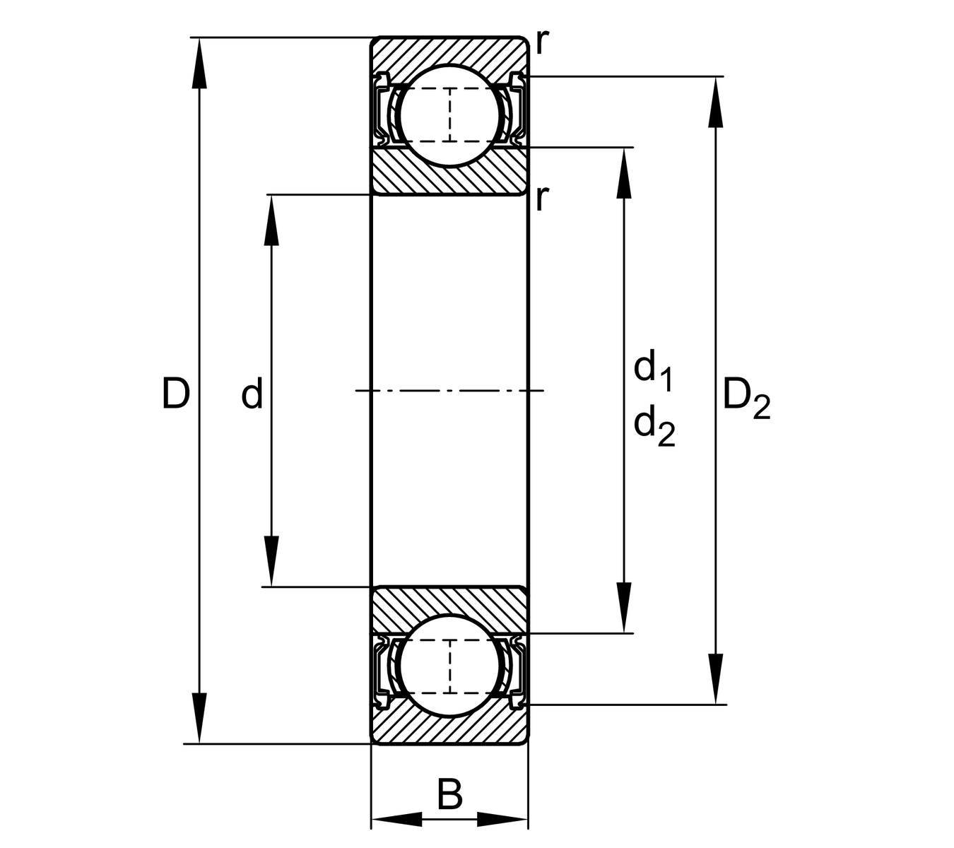
Main Dimensions & Performance Data
d
30 mm
Bore diameter
D
62 mm
Outside diameter
B
16 mm
Width
Cr
16,500 N
Basic dynamic load rating, radial
C0r
9,070 N
Basic static load rating, radial
Cur
600 N
Fatigue load limit, radial
nG
4,500 1/min
Limiting speed
≈m
0.211 kg
Weight

Mounting dimensions
da min
35.6 mm
Minimum diameter shaft shoulder
Da max
56.4 mm
Maximum diameter of housing shoulder
ra max
1 mm
Maximum fillet radius

Dimensions
rmin
1 mm
Minimum chamfer dimension
D1
52.81 mm
Shoulder diameter outer ring
D2
55.13 mm
Caliber diameter outer ring
d1
40.7 mm
Shoulder diameter inner ring

Temperature range
Tmin
-30 °C
Operating temperature min.
Tmax
100 °C
Operating temperature max.

Calculation factors
f0
11.1
Calculation factor

Your current product variant
Material BearingSStainless steel
Sealing2RSRContact seal on both sides
CageJNsteel sheet metal
Tolerance classPNNormal (PN)
Dimensional / heat stabilization SNRings dimensional stabilized up to 120°
LubricantFDGrease with food application approval to NSF H1
Bore typeZCylindrical
Radial internal clearanceCN (Group N)Normal internal clearance
Thêm vào yêu cầu báo giá