PRODUCTS

  • Home
  • Giới thiệu sản phẩm

FAG
230/530-BEA-XL-K-MB1
Spherical Roller Bearing 230/530-BEA-XL-K-MB1
Thêm vào yêu cầu báo giá
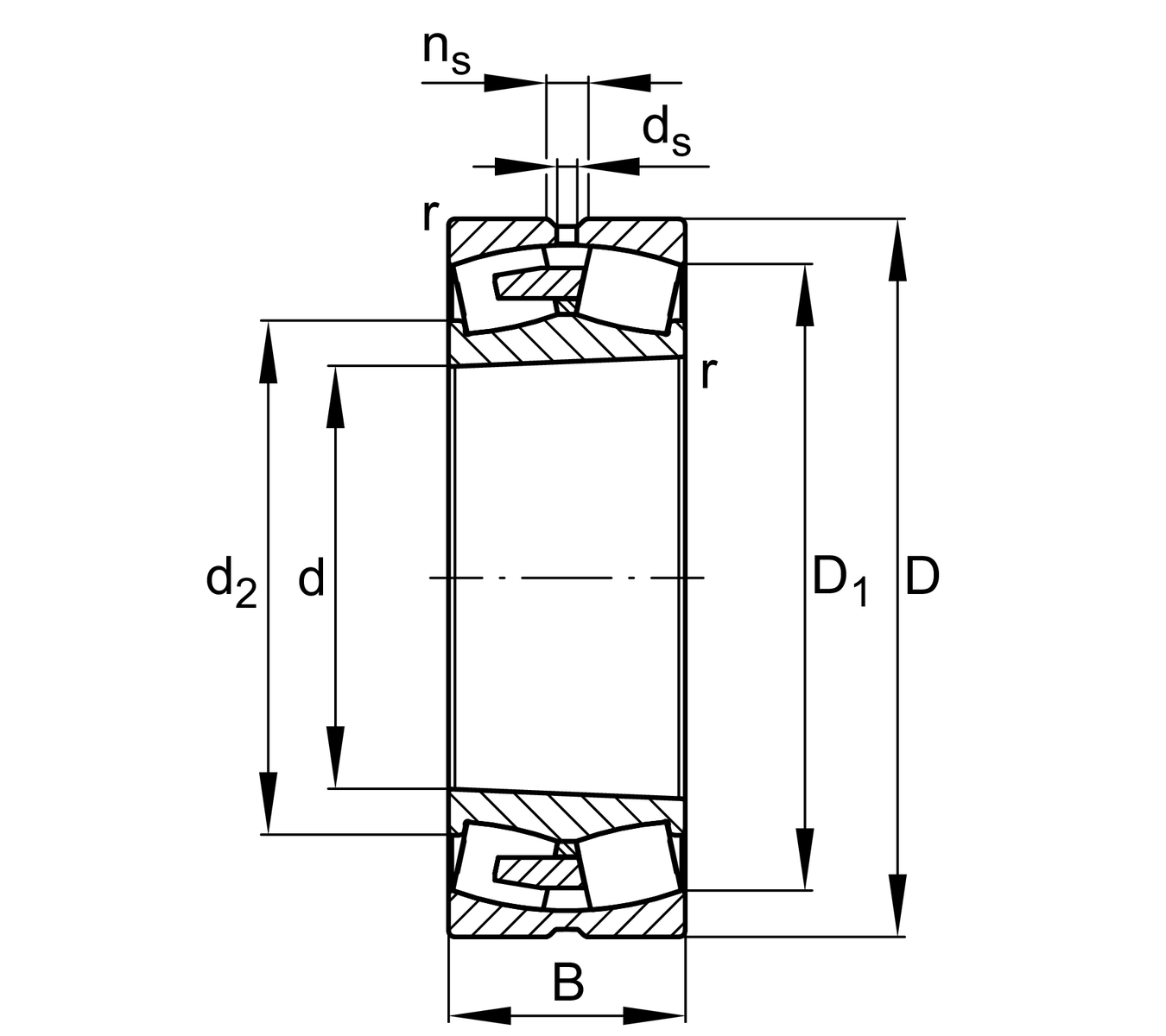
Main Dimensions & Performance Data
d
530 mm
Bore diameter
D
780 mm
Outside diameter
B
185 mm
Width
Cr
5,600,000 N
Basic dynamic load rating, radial
C0r
10,100,000 N
Basic static load rating, radial
Cur
860,000 N
Fatigue load limit, radial
nG
820 1/min
Limiting speed
nϑr
475 1/min
Reference speed
≈m
295.5 kg
Weight

Mounting dimensions
da min
553 mm
Minimum diameter shaft shoulder
Da max
757 mm
Maximum diameter of housing shoulder
ra max
5 mm
Maximum recess radius
da max
589 mm
Maximum diameter of shaft shoulder
db min
550 mm
Minimum cavity diameter of the sleeve
Ba min
18 mm
Minimum cavity width of the sleeve

Dimensions
rmin
6 mm
Minimum chamfer dimension
D1
708 mm
Bore diameter outer ring
ds
12.5 mm
Diameter lubrication hole
ns
23.5 mm
Width of lubricating groove

Temperature range
Tmin
-30 °C
Operating temperature min.
Tmax
200 °C
Operating temperature max.

Calculation factors
e
0.22
Limiting value of Fa/Fr for the applicability of diff. Values of factors X and Y
Y1
3.1
Dynamic axial load factor
Y2
4.62
Dynamic axial load factor
Y0
3.03
Static axial load factor

Additional information
H30/530-HG
Adapter sleeve
AH30/530A-H
Withdrawal sleeve

Your current product variant
DesignBEAwith lose center lip ring
Bore typeKTapered, taper 1:12
CageMB1Solid brass cage
Radial internal clearanceCN (Group N)Normal internal clearance
Relubrication featureStandard
Thêm vào yêu cầu báo giá