PRODUCTS

  • Home
  • Giới thiệu sản phẩm

INA
SL185060-TB
Cylindrical roller bearing SL185060-TB
Thêm vào yêu cầu báo giá
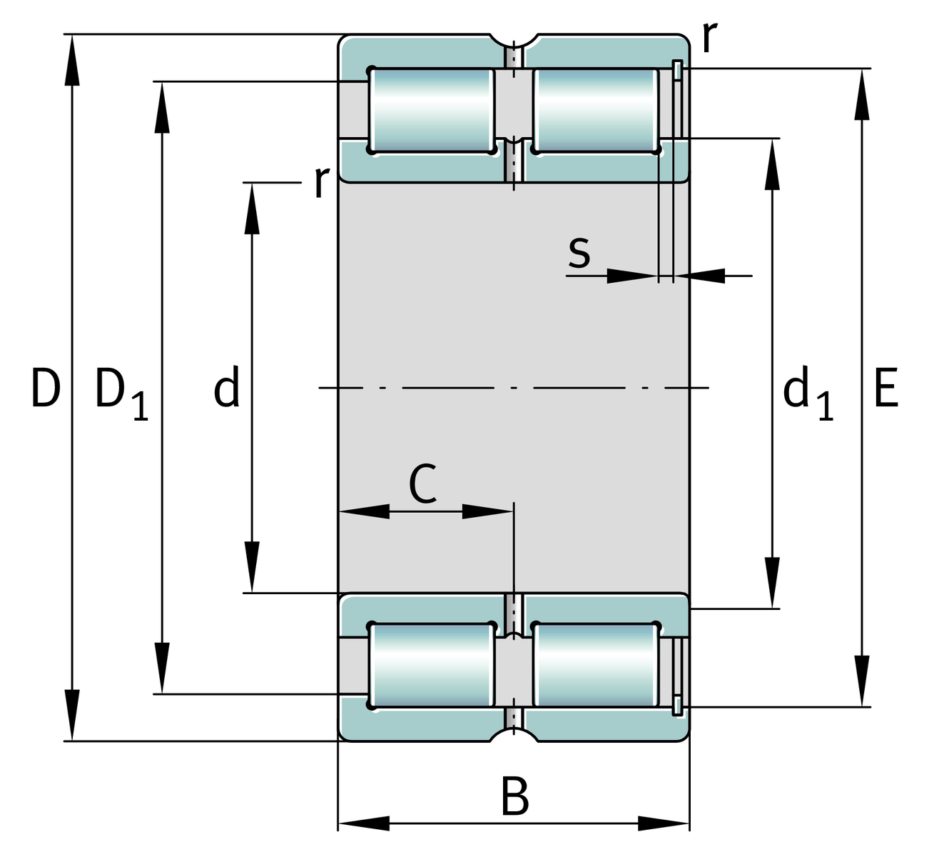
Main Dimensions & Performance Data
d
300 mm
Bore diameter
D
460 mm
Outside diameter
B
218 mm
Width
Cr
3,450,000 N
Basic dynamic load rating, radial
C0r
6,600,000 N
Basic static load rating, radial
Cur
670,000 N
Fatigue load limit, radial
nG
800 1/min
Limiting speed
nϑr
395 1/min
Reference speed
≈m
124 kg
Weight

Mounting dimensions
dc min
353.5 mm
Minimum shaft shoulder
da min
353.6 mm
Minimum diameter shaft shoulder
Da max
414 mm
Maximum diameter of housing shoulder
ra max
4 mm
Maximum recess radius
De min
413.6 mm
Minimum diameter of housing shoulder

Dimensions
rmin
4 mm
Minimum chamfer dimension
r1 min
4 mm
Minimum chamfer dimension
s
12.5 mm
Axial displacement
C
109 mm
Distance to lubrication hole
d1
353.6 mm
Maximum rib diameter inner ring
D1 min
413.6 mm
Minimum rib diameter outer ring
E
433.6 mm
Raceway diameter outer ring

Temperature range
Tmin
-30 °C
Operating temperature min.
Tmax
120 °C
Operating temperature max.

Your current product variant
DesignTBBearings with increased axial load capacity
Radial internal clearanceCN (Group N)Normal internal clearance
Tolerance classPNNormal (PN)
Number of rolling element rows2Double-row design
Thêm vào yêu cầu báo giá