PRODUCTS

  • Home
  • Giới thiệu sản phẩm

FAG
20314-MB
Barrel roller bearing 20314-MB
Thêm vào yêu cầu báo giá
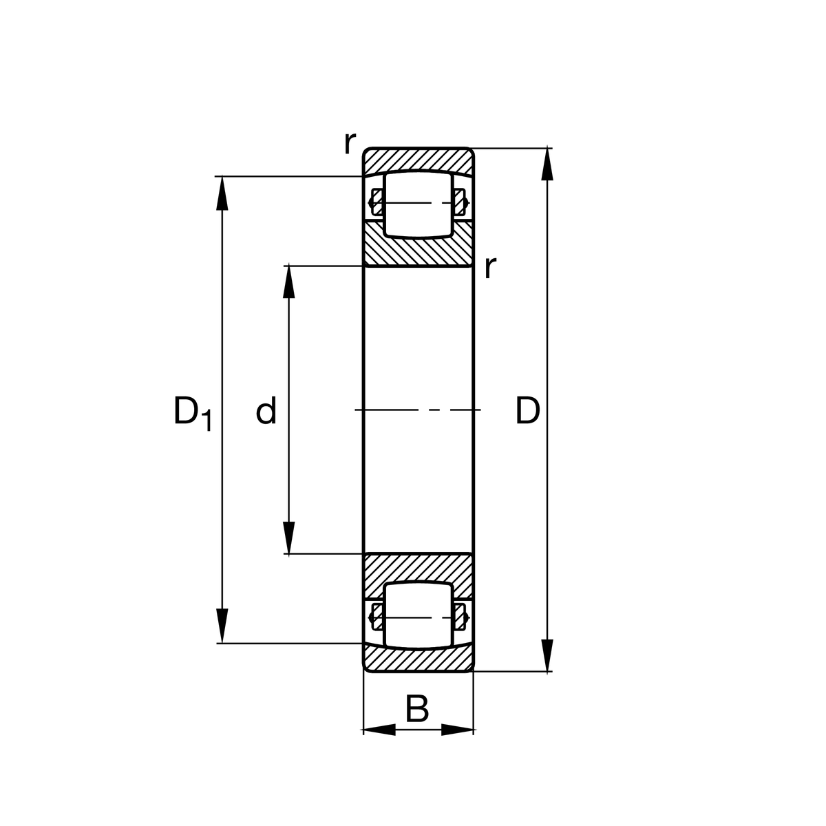
Main Dimensions & Performance Data
d
70 mm
Bore diameter
D
150 mm
Outside diameter
B
35 mm
Width
Cr
184,000 N
Basic dynamic load rating, radial
C0r
215,000 N
Basic static load rating, radial
Cur
19,900 N
Fatigue load limit, radial
nG
4,450 1/min
Limiting speed
≈m
3.135 kg
Weight

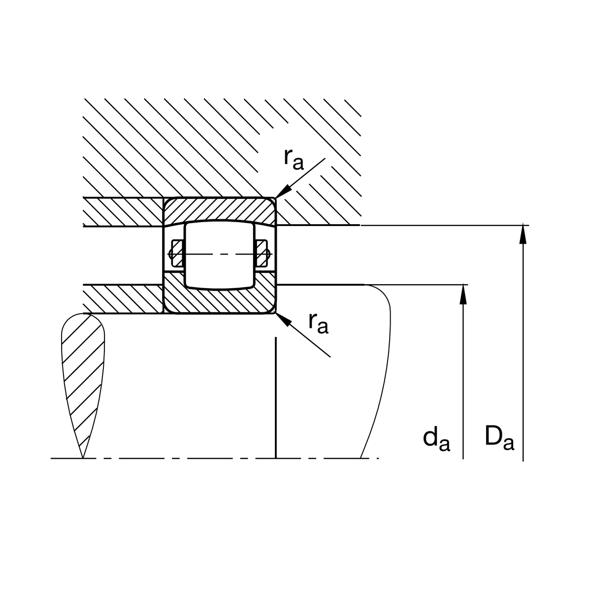
Mounting dimensions
da min
82 mm
Minimum diameter shaft shoulder
Da max
138 mm
Maximum diameter of housing shoulder
ra max
2.1 mm
Maximum recess radius

Dimensions
rmin
2.1 mm
Minimum chamfer dimension
D1
128.7 mm
Bore diameter outer ring

Temperature range
Tmin
-30 °C
Operating temperature min.
Tmax
200 °C
Operating temperature max.

Your current product variant
Bore typeZCylindrical
CageMBSolid brass cage
Radial internal clearanceCN (Group N)Normal internal clearance
Thêm vào yêu cầu báo giá