PRODUCTS

  • Home
  • Giới thiệu sản phẩm

FAG
UCFC213-41
Flanged housing unit UCFC213-41
Thêm vào yêu cầu báo giá
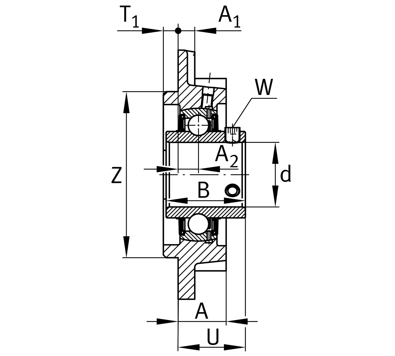
Main Dimensions & Performance Data
d
65.087 mm
Bore diameter
H
205 mm
Height flange
U
55.7 mm
Total height unit
Cr
61,000 N
Basic dynamic load rating, radial
C0r
40,000 N
Basic static load rating, radial
Cur
2,090 N
Fatigue load limit, radial
≈m
5.44 kg
Weight

Mounting dimensions
J
170 mm
Distance fixing bore
J
170 mm
Pitch circle diameter (holes)
N
19 mm
Fixing bore
N1
120.2 mm
Distance fixing bore
T1
14 mm
Height spigot
Z
145 mm
Diameter spigot
h8
Diameter spigot clearance
n
4
Number of screwing holes

Dimensions
A
36 mm
Height housing
A1
15 mm
Thickness of flange
A2
16 mm
Distance raceway
B
65.1 mm
Width
Q
M6
Connection thread for lubrication

Additional information
1
Number of housings
FC213
Housing
UC213-41
Bearing designation

Temperature range
Tmin
-20 °C
Operating temperature min.
Tmax
120 °C
Operating temperature max.

Your current product variant
MaterialGGGrey cast iron
Thêm vào yêu cầu báo giá