PRODUCTS
- Home
- Giới thiệu sản phẩm
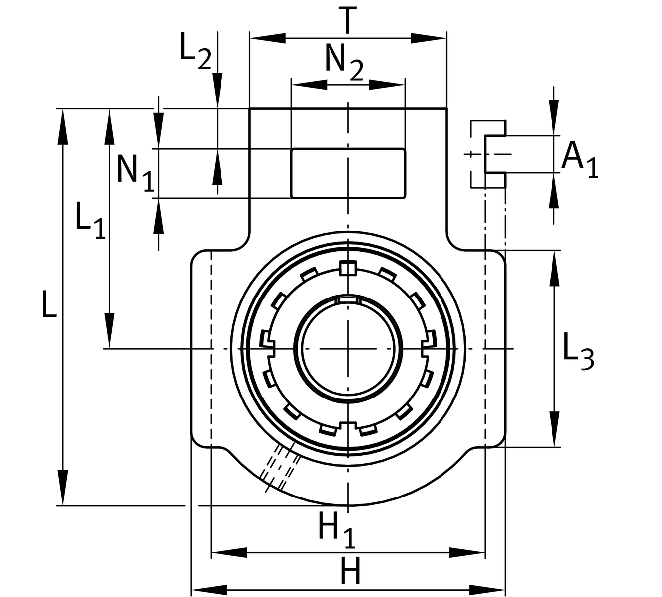
| d | 80 mm | Bore diameter |
| H | 215 mm | Height |
| L | 275 mm | Length total |
| B1 | 86 mm | Locking collar total width |
| ≈m | 12.81 kg | Weight |
| A1 | 28 mm | Width guidance groove |
0.3 mm | Upper width guidance groove tolerance | |
0 mm | Lower width guidance groove tolerance | |
| H1 | 190 mm | Distance guidance grooves |
0 mm | Upper distance guidance groove tolerance | |
-0.8 mm | Lower distance guidance groove tolerance | |
| N | 47 mm | Fixing bore |
| L1 | 170 mm | Distance shaft axis |
| L2 | 30 mm | Length fixed link |
| L3 | 140 mm | Length guidance groove |
| A | 80 mm | Width housing fixing side |
| N1 | 40 mm | Width recess |
| N2 | 80 mm | Height recess |
| T | 130 mm | Height housing fixing side |
| Q | M6 | Connection thread for lubrication |
| A2 | 55 mm | Width housing |
T218 | Housing | |
UK218 | Bearing designation |
| Tmin | -20 °C | Operating temperature min. |
| Tmax | 100 °C | Operating temperature max. |
| Material | GG | Grey cast iron |