PRODUCTS

  • Home
  • Giới thiệu sản phẩm

INA
GE10-DO
Spherical plain bearing GE10-DO
Thêm vào yêu cầu báo giá
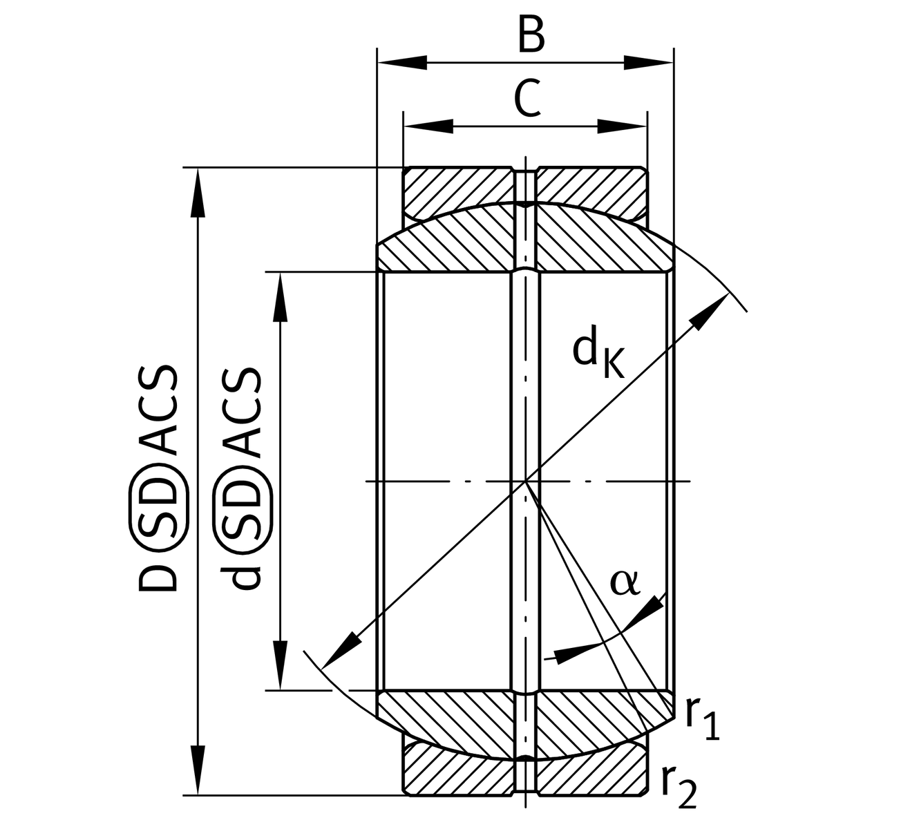
Main Dimensions & Performance Data
d
10 mm
Bore diameter bearing
D
19 mm
Outside diameter bearing
B
9 mm
Width Inner ring
Cr
10,600 N
Basic dynamic load rating, radial
C0r
40,800 N
Basic static load rating, radial
≈m
10.335 g
Weight

Mounting dimensions
r1smin
0.3 mm
Edge Spacing
r2smin
0.3 mm
Edge Spacing
da max
13.2 mm
Connection measure Inner ring
Da min
15.5 mm
Housing Connection Diameter

Dimensions
C
6 mm
Width Outer ring
dK
16 mm
Ball diameter
α
12 °
Tilt angle
dOT
0 mm
Bore diameter bearing, upper tolerance
dUT
-0.008 mm
Bore diameter bearing, lower tolerance
DOT
0 mm
Outside diameter, upper tolerance
DUT
-0.009 mm
Outside diameter, lower tolerance
BOT
0 mm
Width inner ring, upper tolerance
Gr
0,032 - 0,068
Radial Clearance
BUT
-0.12 mm
Width inner ring, lower tolerance
COT
0 mm
Width outer ring, upper tolerance
CUT
-0.24 mm
Width outer ring, lower tolerance

Temperature range
Tmin
-60 °C
Operating temperature min.
Tmax
200 °C
Operating temperature max.

Your current product variant
SealingWithout
Radial internal clearanceCN (Group N)Normal internal clearance
Thêm vào yêu cầu báo giá