PRODUCTS

  • Home
  • Giới thiệu sản phẩm

FAG
16013
Deep groove ball bearing 16013
Thêm vào yêu cầu báo giá
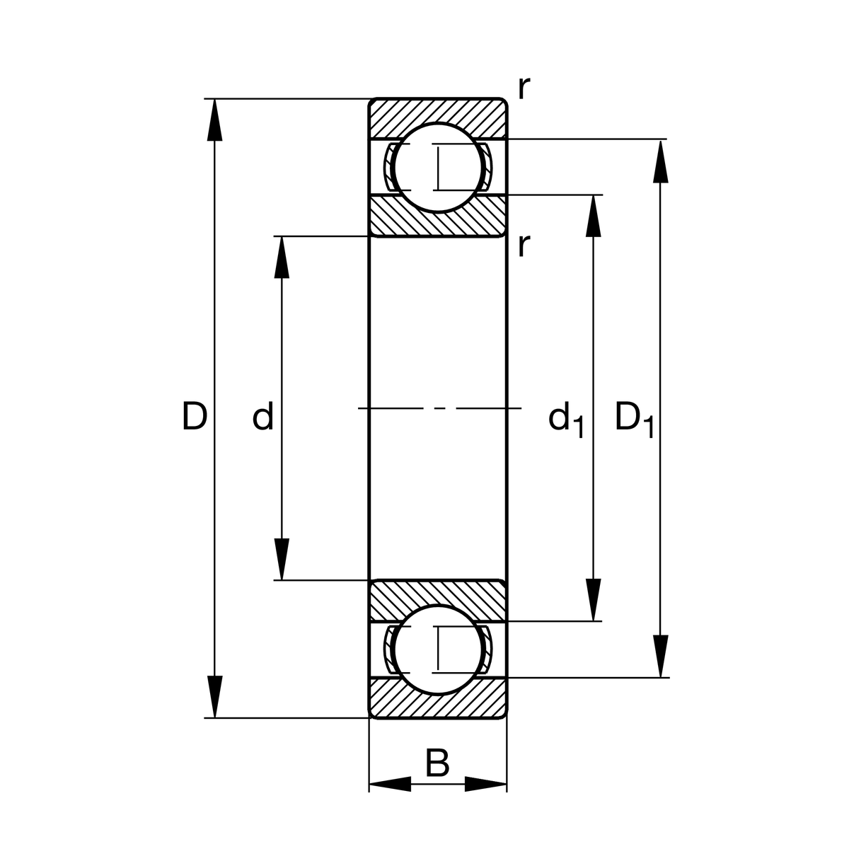
Main Dimensions & Performance Data
d
65 mm
Bore diameter
D
100 mm
Outside diameter
B
11 mm
Width
Cr
22,500 N
Basic dynamic load rating, radial
C0r
19,700 N
Basic static load rating, radial
Cur
940 N
Fatigue load limit, radial
nG
9,900 1/min
Limiting speed
nϑr
5,300 1/min
Reference speed
≈m
0.294 kg
Weight

Mounting dimensions
da min
68.2 mm
Minimum diameter shaft shoulder
Da max
96.8 mm
Maximum diameter of housing shoulder
ra max
0.6 mm
Maximum fillet radius

Dimensions
rmin
0.6 mm
Minimum chamfer dimension
D1
88 mm
Shoulder diameter outer ring
d1
77.1 mm
Shoulder diameter inner ring

Temperature range
Tmin
-30 °C
Operating temperature min.
Tmax
150 °C
Operating temperature max.

Calculation factors
f0
16.5
Calculation factor

Your current product variant
SealingWithoutNot sealed
CageJNsteel sheet metal
Tolerance classPNNormal (PN)
Dimensional / heat stabilization S0Rings dimensional stabilized up to 150°
LubricantWithoutBearing not greased
Bore typeZCylindrical
Radial internal clearanceCN (Group N)Normal internal clearance
Thêm vào yêu cầu báo giá