PRODUCTS

  • Home
  • Giới thiệu sản phẩm

FAG
UCFL217-55
Flanged housing unit UCFL217-55
Thêm vào yêu cầu báo giá
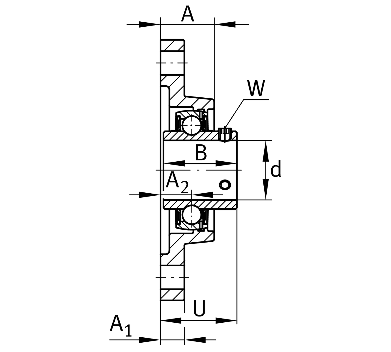
Main Dimensions & Performance Data
d
7.312 mm
Bore diameter
L
190 mm
Flange width
H
305 mm
Height flange
U
87.6 mm
Total height unit
Cr
88,000 N
Basic dynamic load rating, radial
C0r
64,000 N
Basic static load rating, radial
Cur
2,490 N
Fatigue load limit, radial
≈m
8.42 kg
Weight

Mounting dimensions
J
248 mm
Distance fixing bore
N
25 mm
Fixing bore
n
2
Number of screwing holes

Dimensions
A
63 mm
Height housing
A1
26 mm
Thickness of flange
A2
36 mm
Distance raceway
B
85.7 mm
Width
Q
M6
Connection thread for lubrication

Additional information
1
Number of housings
FL217
Housing
UC217-55
Bearing designation

Temperature range
Tmin
-20 °C
Operating temperature min.
Tmax
120 °C
Operating temperature max.

Your current product variant
MaterialGGGrey cast iron
Thêm vào yêu cầu báo giá