PRODUCTS

  • Home
  • Giới thiệu sản phẩm

FAG
UKT217
Take-up housing unit UKT217
Thêm vào yêu cầu báo giá
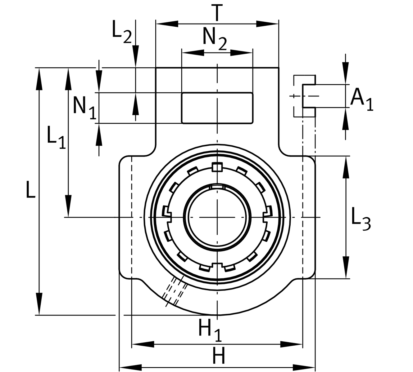
Main Dimensions & Performance Data
d
75 mm
Bore diameter
H
198 mm
Height
L
260 mm
Length total
B1
82 mm
Locking collar total width
≈m
11.2 kg
Weight

Mounting dimensions
A1
30 mm
Width guidance groove
0.3 mm
Upper width guidance groove tolerance
0 mm
Lower width guidance groove tolerance
H1
173 mm
Distance guidance grooves
0 mm
Upper distance guidance groove tolerance
-0.8 mm
Lower distance guidance groove tolerance
N
48 mm
Fixing bore

Dimensions
L1
162 mm
Distance shaft axis
L2
29 mm
Length fixed link
L3
157 mm
Length guidance groove
A
73 mm
Width housing fixing side
N1
38 mm
Width recess
N2
73 mm
Height recess
T
124 mm
Height housing fixing side
Q
M6
Connection thread for lubrication
A2
54 mm
Width housing

Additional information
T217
Housing
UK217
Bearing designation

Temperature range
Tmin
-20 °C
Operating temperature min.
Tmax
100 °C
Operating temperature max.

Your current product variant
MaterialGGGrey cast iron
Thêm vào yêu cầu báo giá