PRODUCTS

  • Home
  • Giới thiệu sản phẩm

INA
EGW6-E40
Thrust washer EGW6-E40
Thêm vào yêu cầu báo giá
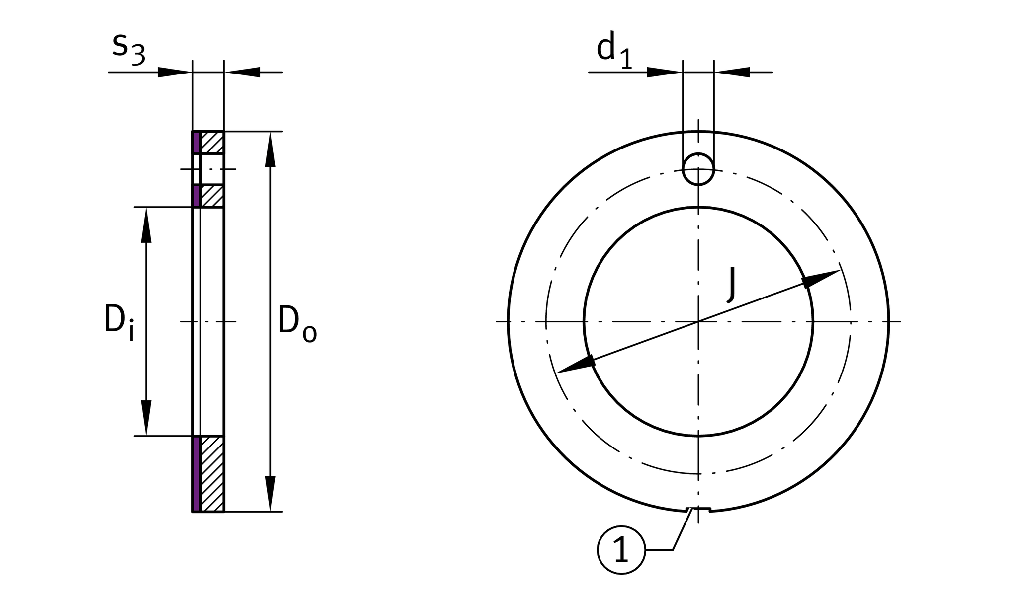
Main Dimensions & Performance Data
Di
6 mm
Inner diameter
s3
0.75 mm
Wall thickness
Ca
16,100 N
Basic dynamic load rating, axial
C0a
28,700 N
Basic static load rating, axial
Do
13.5 mm
Outer Diameter
≈m
0.7 g
Weight

Dimensions
Di OT
0.25 mm
Inner diameter, upper tolerance
Di UT
0 mm
Inner diameter, lower tolerance
Do OT
0 mm
Outside diameter, upper tolerance
Do UT
-0.25 mm
Outside diameter, lower tolerance
s3 OT
0 mm
Wall thickness, upper tolerance
s3 UT
-0.05 mm
Wall thickness, lower tolerance

Temperature range
Tmin
-200 °C
Operating temperature min.
Tmax
280 °C
Operating temperature max.

Your current product variant
Material sliding LayerE40Maintenance-free sliding layer E40
Material backSteel
Thêm vào yêu cầu báo giá