PRODUCTS
- Home
- Giới thiệu sản phẩm
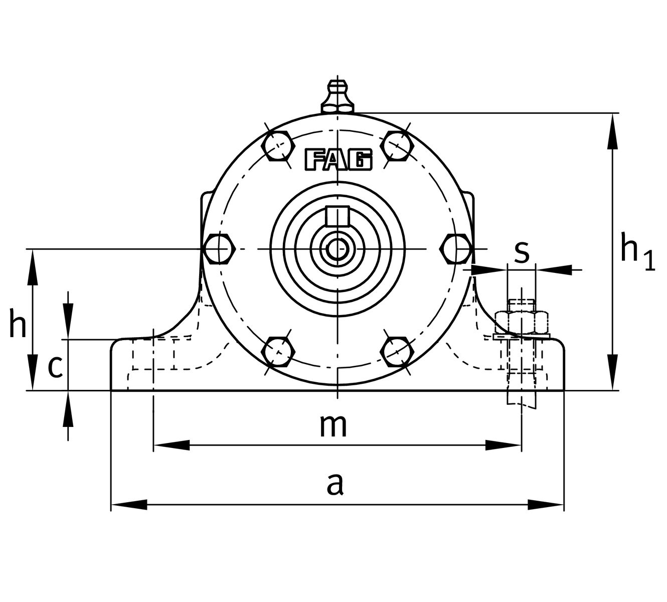
| d | 120 mm | Shaft diameter |
| a | 500 mm | Length base |
| h1 | 320 mm | Height |
| g2 | 705 mm | Total width with cover |
| ≈m | 1 g | Weight |
| B | 55 mm | width |
| b | 100 mm | width base |
| c | 40 mm | heigth base |
| D | 260 mm | outside diameter bearing |
| d2 | 140 mm | shaft diameter shoulder |
| d4 | 110 mm | Shaft dieameter outside |
| e | 575.5 mm | locking collar width |
| h | 160 mm | center heigth |
| m | 410 mm | distance fixing bore |
| n | 540 mm | bore distance width |
| s | M30 | size of fixing screws |
| w1 | 1,160 mm | length shaft total |
| w2 | 210 mm | distance shaft end |
| w3 | 213 mm | length shaft tap |
| w4 | 317.5 mm | lenght shaft end |
| w5 | 470 mm | length shaft shoulder |
| w7 | 372.5 mm | Lenght shaft end |
NU324-E-TVP2-C3 | bearing designation | |
2X7324-B-TVP-UA | reference bearing designation | |
VR324-C | housing |