PRODUCTS
- Home
- Giới thiệu sản phẩm
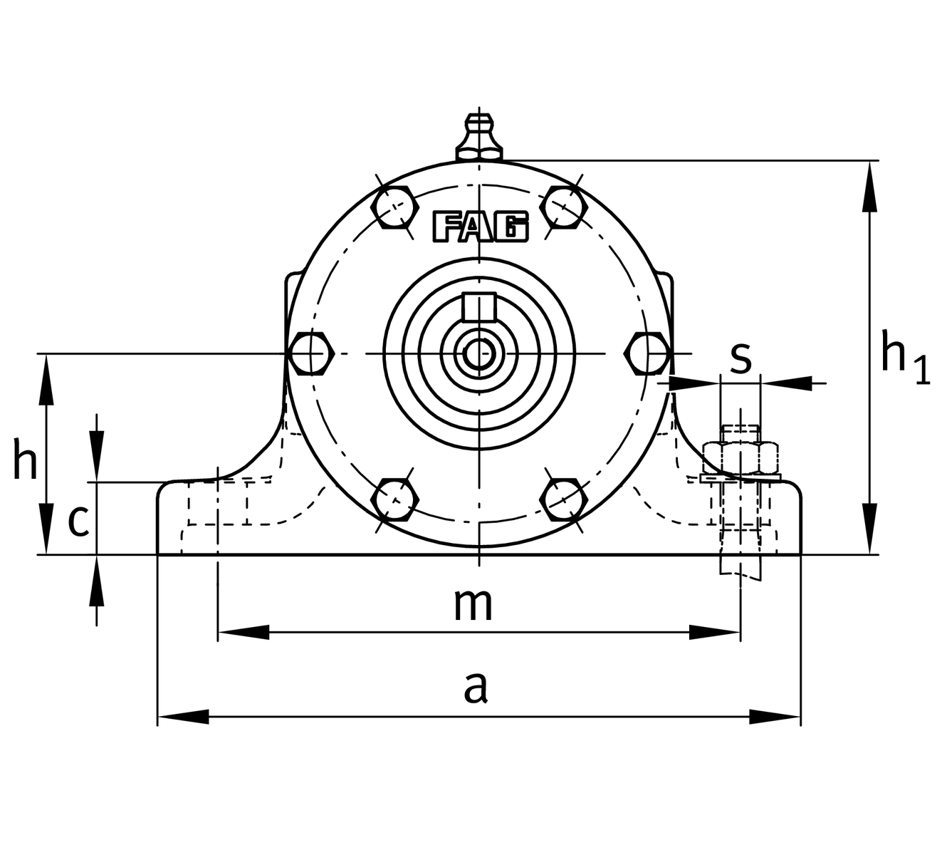
| d | 70 mm | Shaft diameter |
| a | 290 mm | Length base |
| h1 | 188 mm | Height |
| g2 | 500 mm | Total width with cover |
| ≈m | 70.4 kg | Weight |
| B | 35 mm | width |
| b | 70 mm | width base |
| c | 25 mm | heigth base |
| D | 150 mm | outside diameter bearing |
| d2 | 80 mm | shaft diameter shoulder |
| d4 | 60 mm | Shaft dieameter outside |
| e | 405.5 mm | locking collar width |
| h | 95 mm | center heigth |
| m | 230 mm | distance fixing bore |
| n | 380 mm | bore distance width |
| s | M16 | size of fixing screws |
| w1 | 811 mm | length shaft total |
| w2 | 140 mm | distance shaft end |
| w3 | 143 mm | length shaft tap |
| w4 | 222.5 mm | lenght shaft end |
| w5 | 331 mm | length shaft shoulder |
| w7 | 257.5 mm | Lenght shaft end |
NU314-E-TVP2-C3 | bearing designation | |
2X7314-B-TVP-UA | reference bearing designation | |
VR314-C | housing |