PRODUCTS

  • Home
  • Giới thiệu sản phẩm

INA
VLU200544-ZT-RL2
Slewing Ring, Four Point contact bearing, without gear teeth VLU200544-ZT-RL2
Thêm vào yêu cầu báo giá
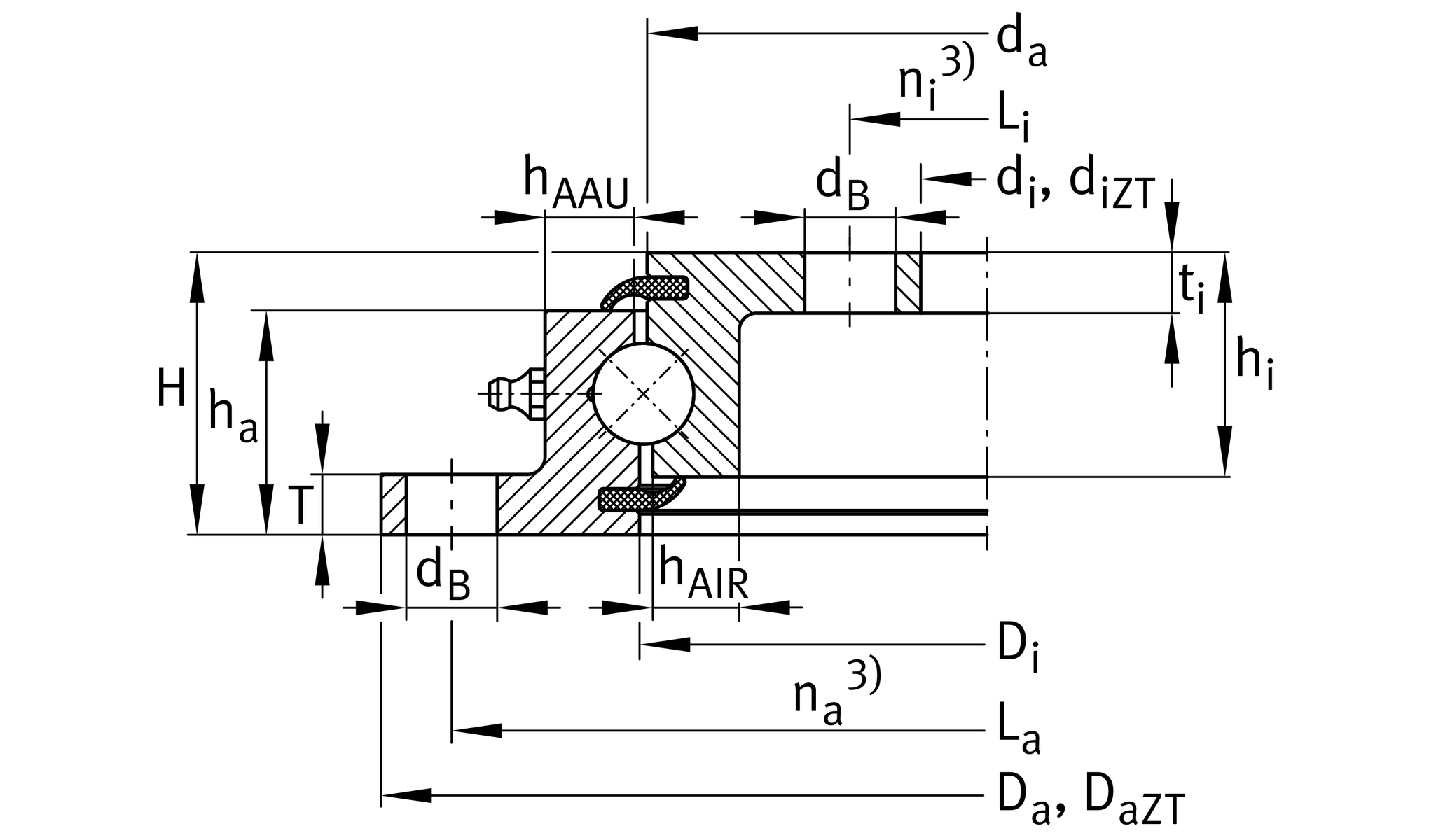
Main Dimensions & Performance Data
diZT
436 mm
Diameter centring inner ring
IT8
Diameter centring inner ring tolerance
H
56 mm
Height
Da ZT
646 mm
Centring diameter outer ring
-IT8
Diameter centring outer ring tolerance
T
12 mm
Length centering outer ring
t
12 mm
Length centering inner ring
ha
44.5 mm
Width outer ring
hi
44.5 mm
Width inner ring
≈m
33.3 kg
Weight

Dimensions
Di
545.5 mm
Inner diameter outer ring
0.5 mm
Inner diameter outer ring upper tolerance
0 mm
Inner diameter outer ring lower tolerance
da
542.5 mm
Outside diameter inner ring
0 mm
Outside diameter inner ring upper tolerance
-0.5 mm
Outside diameter inner ring lower tolerance
dB
18 mm
Fixing bore
La
620 mm
Pitchcircle diameter fixing holes outer ring
na
10
Number of fixing holes in outer ring
Li
462 mm
Pitchcircle diameter fixing holes inner ring
ni
14
Number of fixing holes in inner ring
Fr zul
70,000 N
Max. radial load fixing screws (friction locking)
hA
20 mm
Ring cross section

Temperature range
Tmin
-25 °C
Operating temperature min.
Tmax
80 °C
Operating temperature max.

Calculation factors
Ca
152,000 N
Basic dynamic load rating, axial
C0a
385,000 N
Basic static load rating, axial
Cr
138,000 N
Basic dynamic load rating, radial (for radial load only)
C0r
144,000 N
Basic static load rating, radial (for radial load only)

Your current product variant
CenteringZTCentering on inner and outer ring
Radial internal clearanceRL2Radial clearance 0,1 to 0,3; axial tilting clearance 0,17 to 0,53
Thêm vào yêu cầu báo giá