PRODUCTS

  • Home
  • Giới thiệu sản phẩm

INA
VLU200414-ZT-RL0
Slewing Ring, Four Point contact bearing, without gear teeth VLU200414-ZT-RL0
Thêm vào yêu cầu báo giá
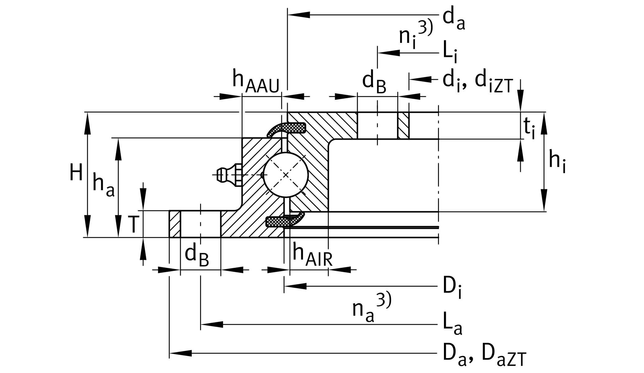
Main Dimensions & Performance Data
diZT
306 mm
Diameter centring inner ring
IT8
Diameter centring inner ring tolerance
H
56 mm
Height
Da ZT
516 mm
Centring diameter outer ring
-IT8
Diameter centring outer ring tolerance
T
12 mm
Length centering outer ring
t
12 mm
Length centering inner ring
ha
44.5 mm
Width outer ring
hi
44.5 mm
Width inner ring
≈m
24.3 kg
Weight

Dimensions
Di
415.5 mm
Inner diameter outer ring
0.5 mm
Inner diameter outer ring upper tolerance
0 mm
Inner diameter outer ring lower tolerance
da
412.5 mm
Outside diameter inner ring
0 mm
Outside diameter inner ring upper tolerance
-0.5 mm
Outside diameter inner ring lower tolerance
dB
18 mm
Fixing bore
La
490 mm
Pitchcircle diameter fixing holes outer ring
na
8
Number of fixing holes in outer ring
Li
332 mm
Pitchcircle diameter fixing holes inner ring
ni
12
Number of fixing holes in inner ring
Fr zul
53,000 N
Max. radial load fixing screws (friction locking)
hA
20 mm
Ring cross section

Temperature range
Tmin
-25 °C
Operating temperature min.
Tmax
80 °C
Operating temperature max.

Calculation factors
Ca
137,000 N
Basic dynamic load rating, axial
C0a
295,000 N
Basic static load rating, axial
Cr
124,000 N
Basic dynamic load rating, radial (for radial load only)
C0r
110,000 N
Basic static load rating, radial (for radial load only)

Your current product variant
CenteringZTCentering on inner and outer ring
Radial internal clearanceRL0Radial clearance 0 to 0,05; axial tilting clearance 0 to 0,08
Thêm vào yêu cầu báo giá