PRODUCTS
- Home
- Giới thiệu sản phẩm
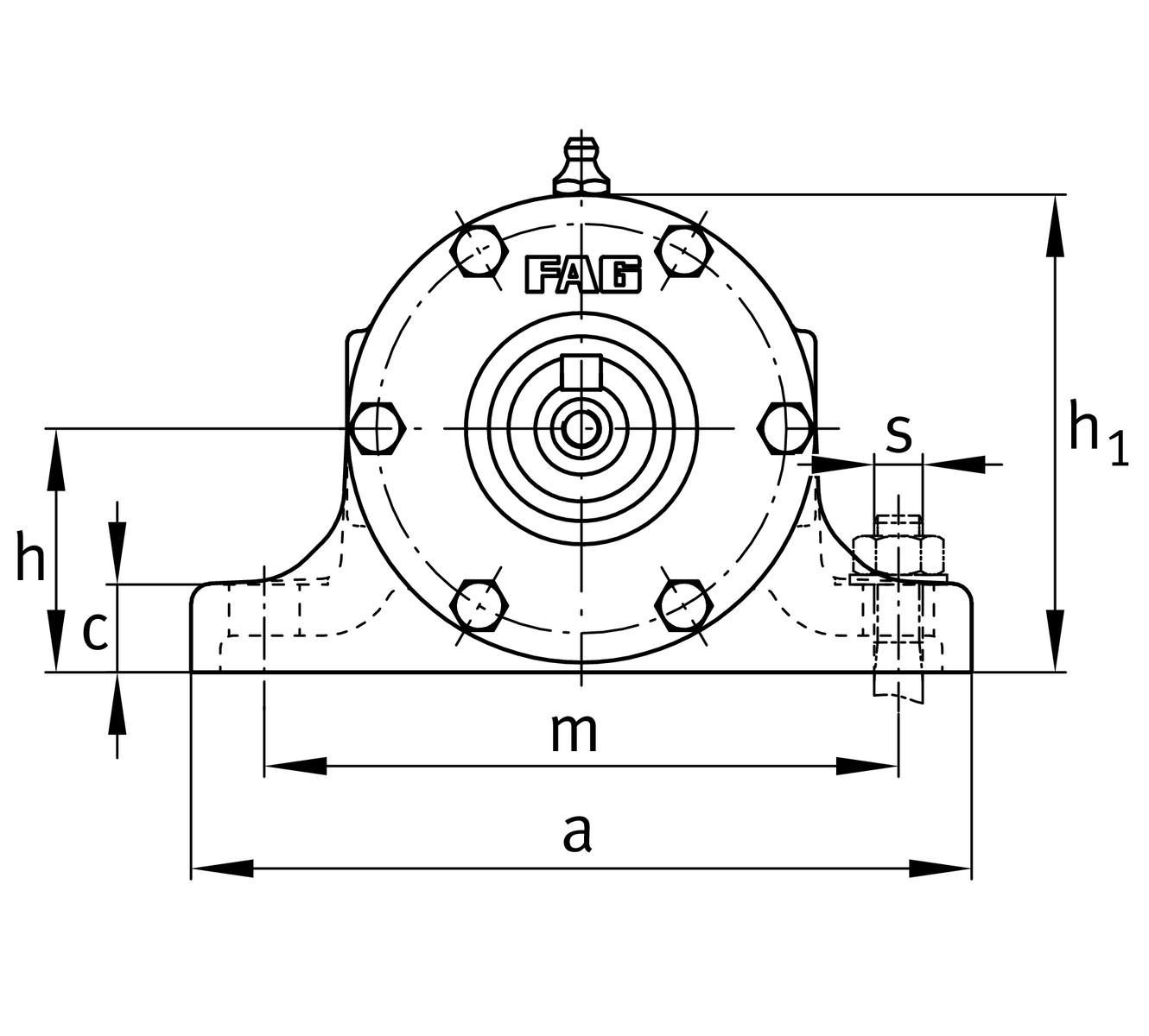
| d | 95 mm | Shaft diameter |
| a | 400 mm | Length base |
| h1 | 248 mm | Height |
| g2 | 633 mm | Total width with cover |
| ≈m | 164 kg | Weight |
| B | 45 mm | width |
| b | 90 mm | width base |
| c | 35 mm | heigth base |
| D | 200 mm | outside diameter bearing |
| d2 | 110 mm | shaft diameter shoulder |
| d4 | 85 mm | Shaft dieameter outside |
| e | 518.5 mm | locking collar width |
| h | 125 mm | center heigth |
| m | 320 mm | distance fixing bore |
| n | 480 mm | bore distance width |
| s | M20 | size of fixing screws |
| w1 | 1,008 mm | length shaft total |
| w2 | 170 mm | distance shaft end |
| w3 | 173 mm | length shaft tap |
| w4 | 269 mm | lenght shaft end |
| w5 | 425 mm | length shaft shoulder |
| w7 | 314 mm | Lenght shaft end |
NU319-E-TVP2-C3 | bearing designation | |
2X7319-B-TVP-UA | reference bearing designation | |
VR319-C | housing |