PRODUCTS
- Home
- Giới thiệu sản phẩm
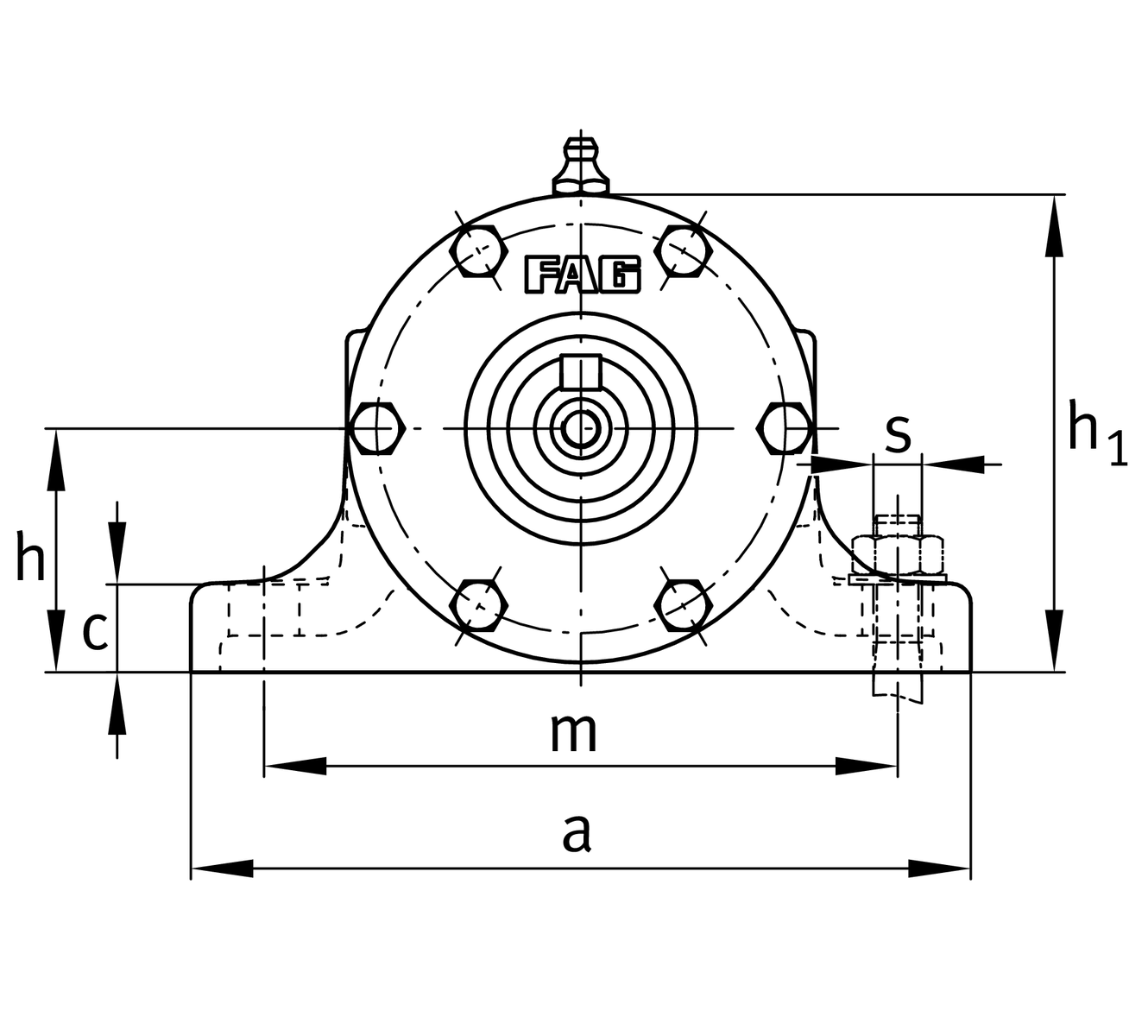
| d | 65 mm | Shaft diameter |
| a | 290 mm | Length base |
| h1 | 183 mm | Height |
| g2 | 480 mm | Total width with cover |
| ≈m | 60.8 kg | Weight |
| B | 33 mm | width |
| b | 70 mm | width base |
| c | 25 mm | heigth base |
| D | 140 mm | outside diameter bearing |
| d2 | 75 mm | shaft diameter shoulder |
| d4 | 55 mm | Shaft dieameter outside |
| e | 388.5 mm | locking collar width |
| h | 95 mm | center heigth |
| m | 230 mm | distance fixing bore |
| n | 360 mm | bore distance width |
| s | M16 | size of fixing screws |
| w1 | 729 mm | length shaft total |
| w2 | 110 mm | distance shaft end |
| w3 | 112 mm | length shaft tap |
| w4 | 189.5 mm | lenght shaft end |
| w5 | 317 mm | length shaft shoulder |
| w7 | 222.5 mm | Lenght shaft end |
NU313-E-TVP2-C3 | bearing designation | |
2X7313-B-TVP-UA | reference bearing designation | |
VR313-C | housing |