PRODUCTS

  • Home
  • Giới thiệu sản phẩm

FAG
22380-BEA-XL-MB1
Spherical Roller Bearing 22380-BEA-XL-MB1
Thêm vào yêu cầu báo giá
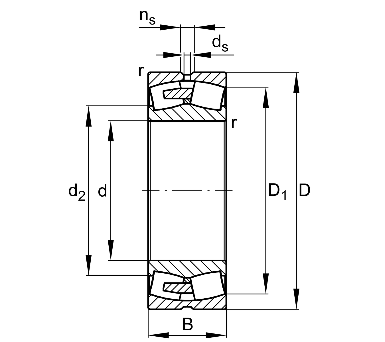
Main Dimensions & Performance Data
d
400 mm
Bore diameter
D
820 mm
Outside diameter
B
243 mm
Width
Cr
7,800,000 N
Basic dynamic load rating, radial
C0r
10,500,000 N
Basic static load rating, radial
Cur
730,000 N
Fatigue load limit, radial
nG
850 1/min
Limiting speed
nϑr
410 1/min
Reference speed
≈m
613 kg
Weight

Mounting dimensions
da min
432 mm
Minimum diameter shaft shoulder
Da max
788 mm
Maximum diameter of housing shoulder
ra max
6 mm
Maximum recess radius

Dimensions
rmin
7.5 mm
Minimum chamfer dimension
D1
701.3 mm
Bore diameter outer ring
ds
12.5 mm
Diameter lubrication hole
ns
23.5 mm
Width of lubricating groove

Temperature range
Tmin
-30 °C
Operating temperature min.
Tmax
200 °C
Operating temperature max.

Calculation factors
e
0.31
Limiting value of Fa/Fr for the applicability of diff. Values of factors X and Y
Y1
2.21
Dynamic axial load factor
Y2
3.29
Dynamic axial load factor
Y0
2.16
Static axial load factor

Your current product variant
DesignBEAwith lose center lip ring
Bore typeZCylindrical
CageMB1Solid brass cage
Radial internal clearanceCN (Group N)Normal internal clearance
Relubrication featureStandard
Locating feature, bearing outer ringWithout
Handling thread holesWithout
Special materialStandard
Thêm vào yêu cầu báo giá