PRODUCTS

  • Home
  • Giới thiệu sản phẩm

INA
TKVD35-W
Profile rail TKVD35-W
Thêm vào yêu cầu báo giá
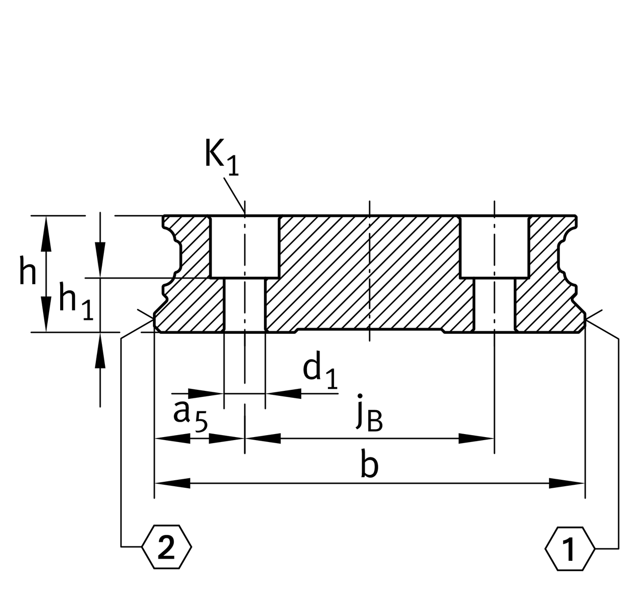
Main Dimensions & Performance Data
h
27 mm
Height
b
90 mm
Width
Tol b
-0.005 mm
Upper tolerance
Tol b
-0.035 mm
Lower tolerance
≈m
17.4 kg/m
Weight

Mounting dimensions
K1
M8
Thread
K1 MA
41 Nm
Tightening torque 1
d1
9 mm
Bore diameter

Dimensions
lmax
6,000 mm
Max length single piece guideway 2
aL max
71 mm
Distance 3
aL min
20 mm
Distance 3
aR max
71 mm
Distance 3
aR min
20 mm
Distance 3
jL
80 mm
Increment
jB
60 mm
Increment
a5
15 mm
Distance
h1
14.5 mm
length
Tol h1
0.5 mm
Upper tolerance
Tol h1
-0.5 mm
Distance Distance

Additional information
KWVE35-W...
usable carriage(s)
KUVE35-W...
usable linear systems

Your current product variant
Size code35
Length~6000
Guideway designWwide execution
Thêm vào yêu cầu báo giá