PRODUCTS

  • Home
  • Giới thiệu sản phẩm

INA
TKVD14
Guideways for linear recirculating ball bearing unit TKVD14
Thêm vào yêu cầu báo giá
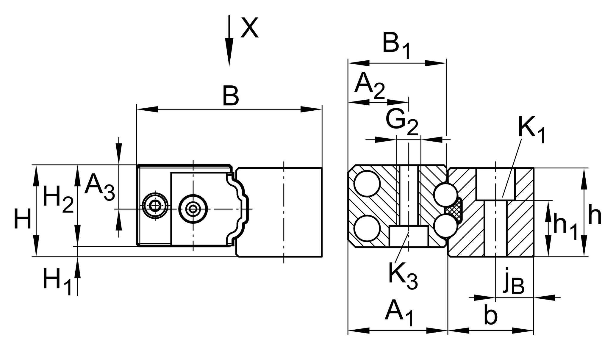
Main Dimensions & Performance Data
h
14 mm
Height
b
13.5 mm
Width
≈m
1.45 kg/m
Weight

Mounting dimensions
K1 MA
2.5 Nm
Tightening torque
d1
3.8 mm
Bore diameter

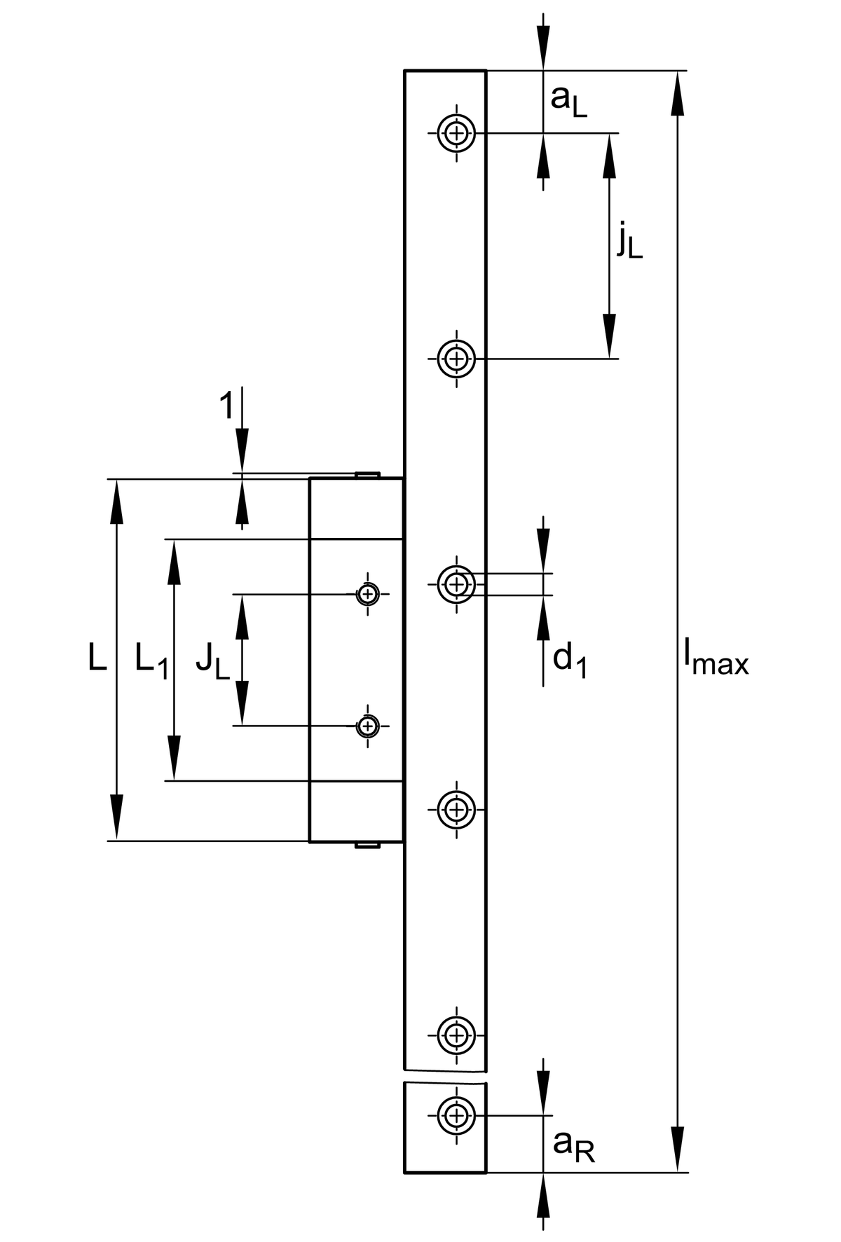
Dimensions
lmax
1,940 mm
Max length single piece guideway 1
aL max
53 mm
Distance 2
aL min
20 mm
Distance 2
aR max
53 mm
Distance 2
aR min
20 mm
Distance 2
jL
60 mm
Increment
jB
6 mm
Increment
a5
6 mm
Distance
h1
7.4 mm
Length

Your current product variant
Size code14
Thêm vào yêu cầu báo giá