PRODUCTS
- Home
- Giới thiệu sản phẩm
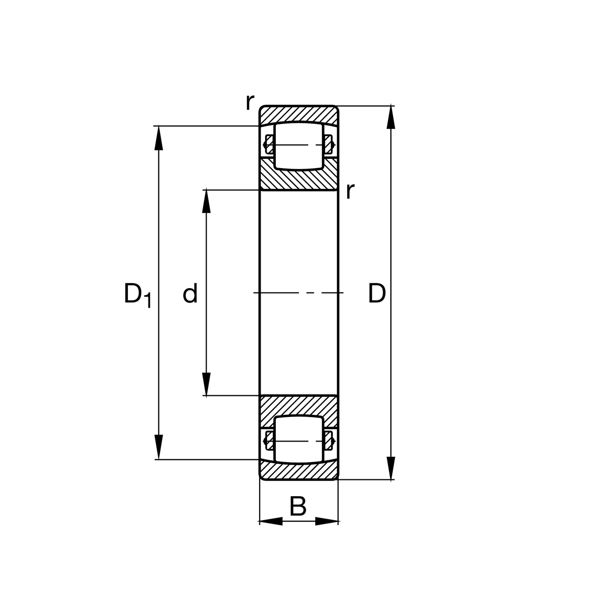
| d | 60 mm | Bore diameter |
| D | 110 mm | Outside diameter |
| B | 22 mm | Width |
| Cr | 85,000 N | Basic dynamic load rating, radial |
| C0r | 100,000 N | Basic static load rating, radial |
| Cur | 11,000 N | Fatigue load limit, radial |
| nG | 6,600 1/min | Limiting speed |
| ≈m | 0.799 kg | Weight |
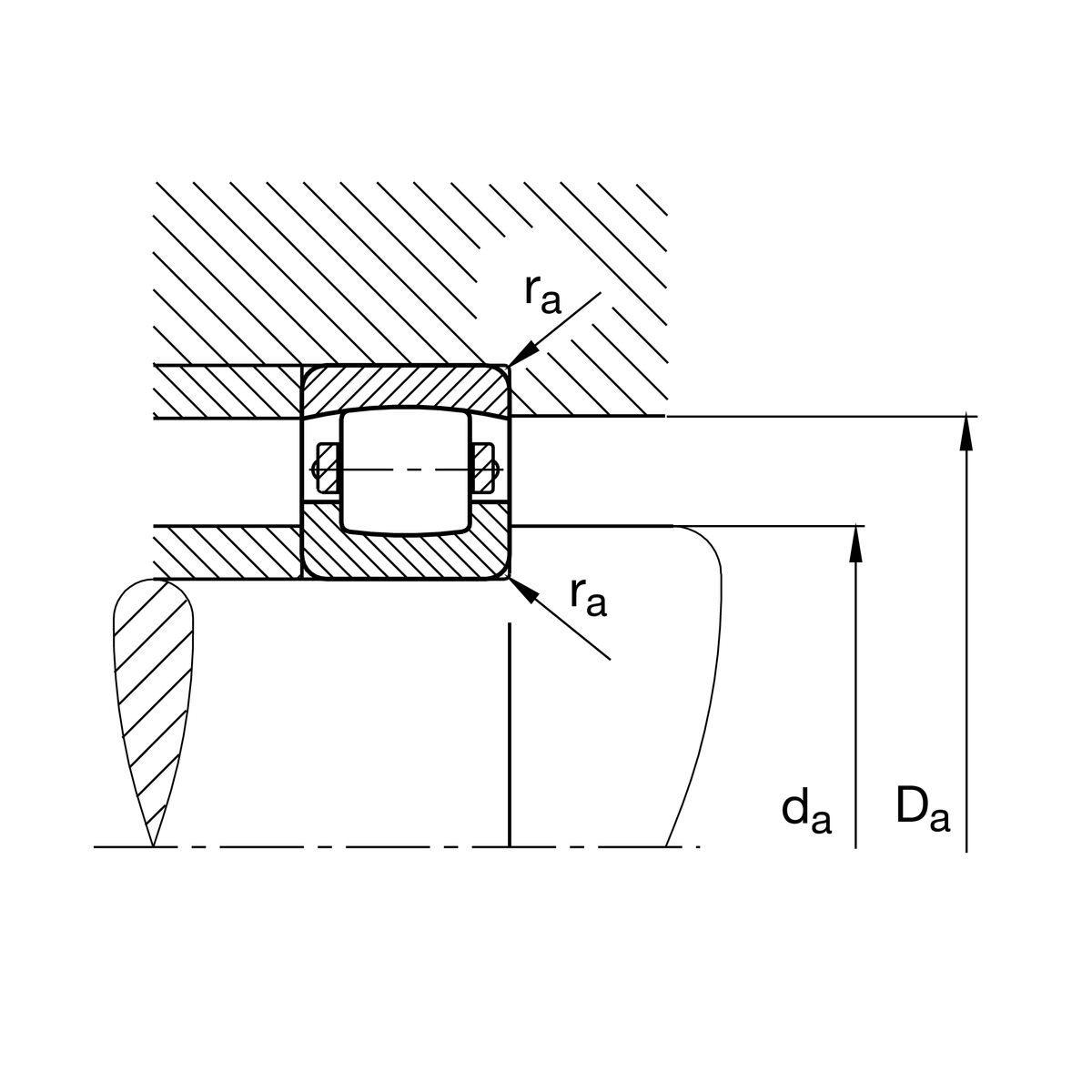
| da min | 69 mm | Minimum diameter shaft shoulder |
| Da max | 101 mm | Maximum diameter of housing shoulder |
| ra max | 1.5 mm | Maximum recess radius |
| rmin | 1.5 mm | Minimum chamfer dimension |
| D1 | 97.8 mm | Bore diameter outer ring |
| Tmin | -30 °C | Operating temperature min. |
| Tmax | 120 °C | Operating temperature max. |
| Bore type | Z | Cylindrical |
| Cage | TVP | Plastic cage |
| Radial internal clearance | CN (Group N) | Normal internal clearance |