PRODUCTS
- Home
- Giới thiệu sản phẩm
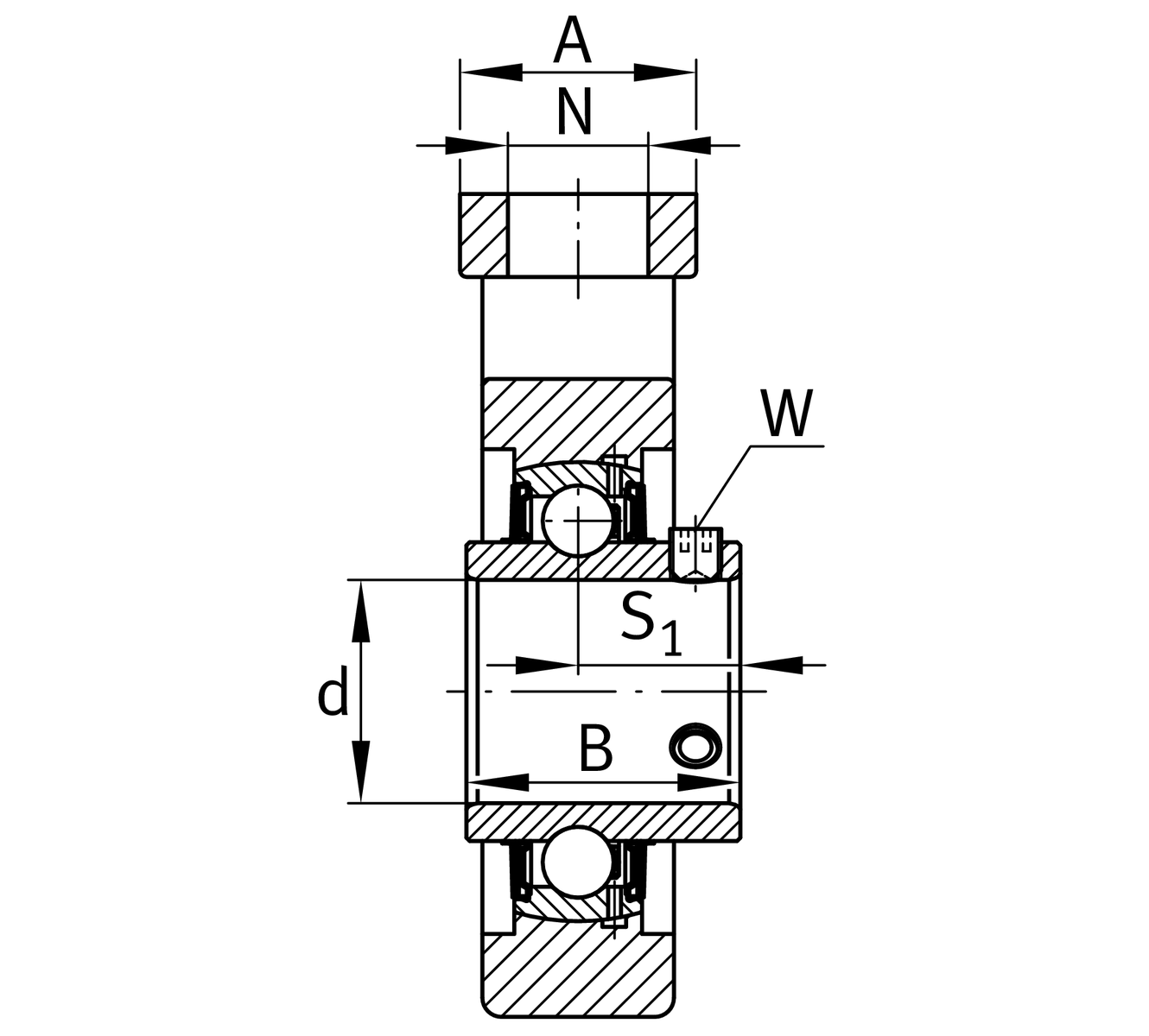
| d | 57.15 mm | Bore diameter |
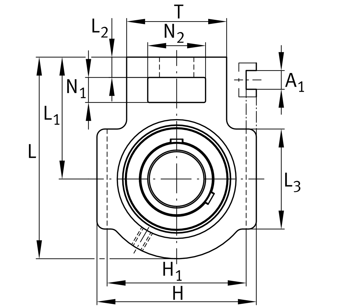
| H | 146 mm | Height |
| L | 194 mm | Length total |
| ≈m | 4.743 kg | Weight |
| A1 | 22 mm | Width guidance groove |
0.3 mm | Upper width guidance groove tolerance | |
0 mm | Lower width guidance groove tolerance | |
| H1 | 130 mm | Distance guidance grooves |
0 mm | Upper distance guidance groove tolerance | |
-0.8 mm | Lower distance guidance groove tolerance | |
| N | 35 mm | Fixing bore |
| L1 | 119 mm | Distance shaft axis |
| L2 | 19 mm | Length fixed link |
| L3 | 102 mm | Length guidance groove |
| A | 64 mm | Width housing fixing side |
| N1 | 32 mm | Width recess |
| N2 | 64 mm | Height recess |
| B | 65.1 mm | Width inner ring |
| S1 | 39.7 mm | Distance of raceway to locking collar |
| T | 102 mm | Height housing fixing side |
| Q | M6 | Connection thread for lubrication |
| A2 | 42 mm | Width housing |
T212 | Housing | |
UC212-36 | Bearing designation |
| Tmin | -20 °C | Operating temperature min. |
| Tmax | 120 °C | Operating temperature max. |
| Material | GG | Grey cast iron |