PRODUCTS
- Home
- Giới thiệu sản phẩm
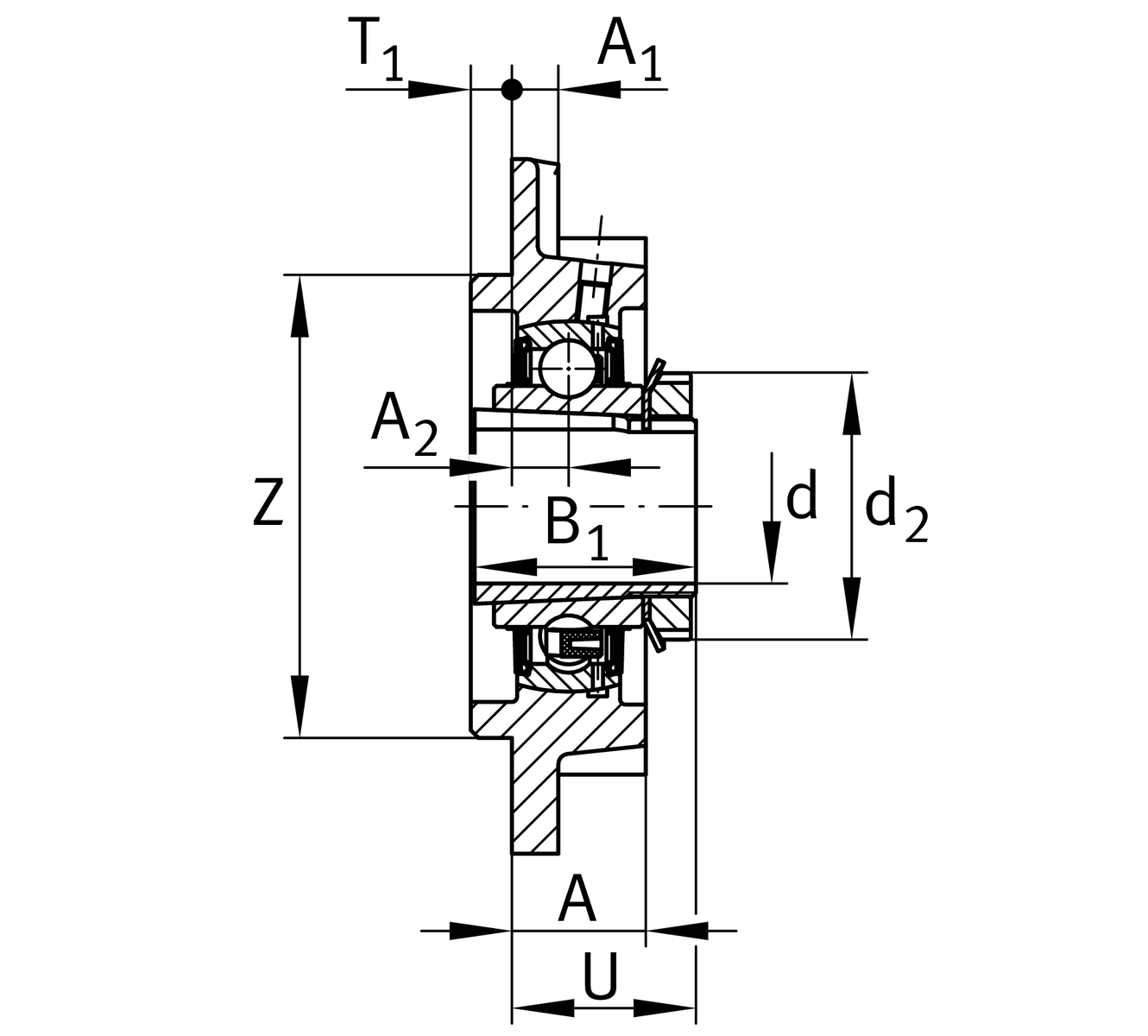
| d | 55 mm | Bore diameter |
| H | 195 mm | Height flange |
| U | 51.2 mm | Total height unit |
| Cr | 56,000 N | Basic dynamic load rating, radial |
| C0r | 36,000 N | Basic static load rating, radial |
| Cur | 1,870 N | Fatigue load limit, radial |
| ≈m | 4.96 kg | Weight |
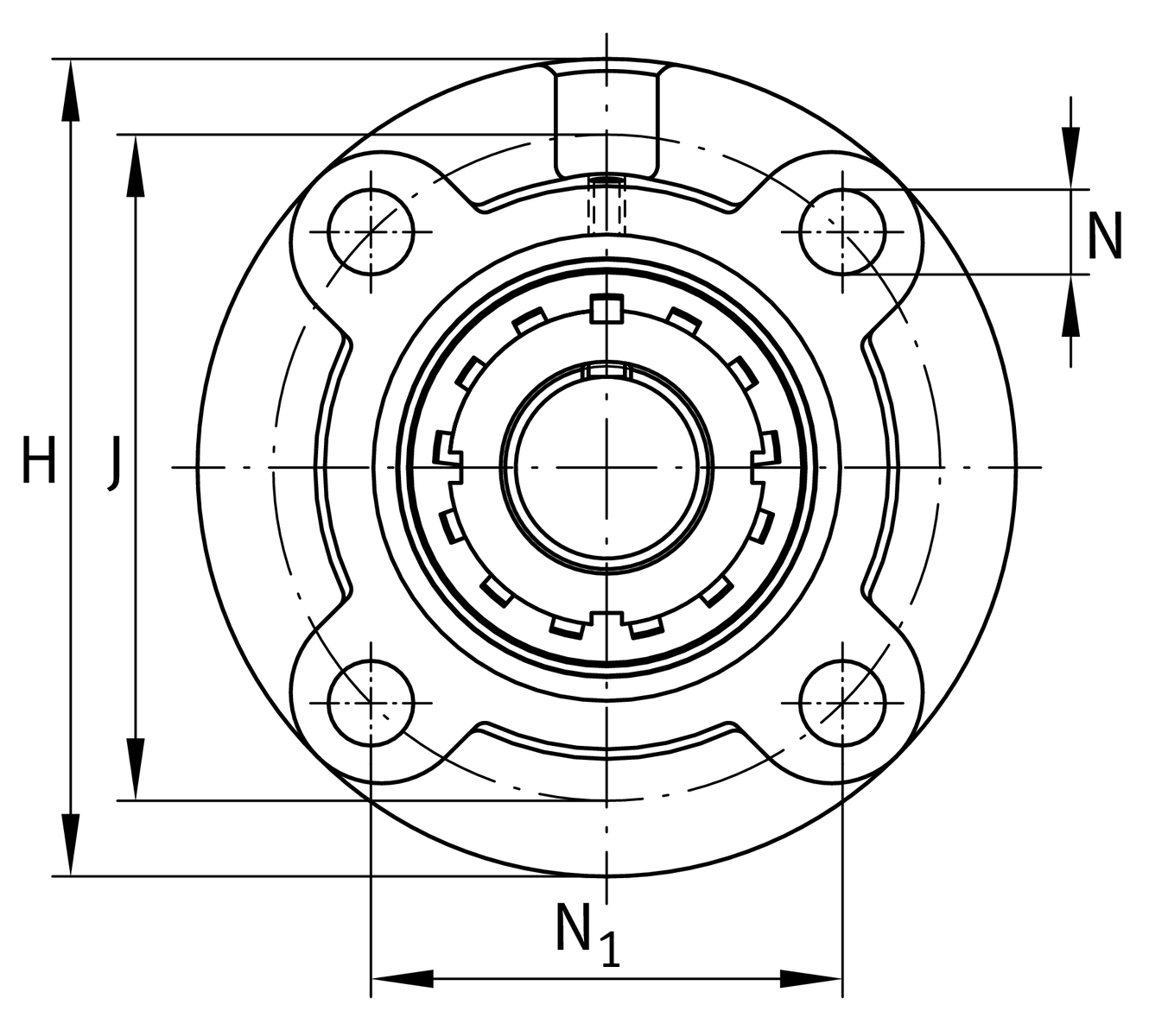
| J | 160 mm | Pitch circle diameter (holes) |
| N | 19 mm | Fixing bore |
| N1 | 113.1 mm | Distance fixing bore |
| T1 | 12 mm | Height spigot |
| Z | 135 mm | Diameter spigot |
h8 | Diameter spigot clearance | |
| n | 4 | Number of screwing holes |
| A | 36 mm | Height housing |
| A1 | 15 mm | Thickness of flange |
| A2 | 17 mm | Distance raceway |
| B | 40 mm | Width |
| B1 | 62 mm | Locking collar total width |
| d3 | 80 mm | Outside diameter eccentric locking collar |
1 | Number of housings | |
FC212 | Housing | |
UK212 | Bearing designation |
| Tmin | -20 °C | Operating temperature min. |
| Tmax | 120 °C | Operating temperature max. |
| Material | GG | Grey cast iron |