PRODUCTS
- Home
- Giới thiệu sản phẩm
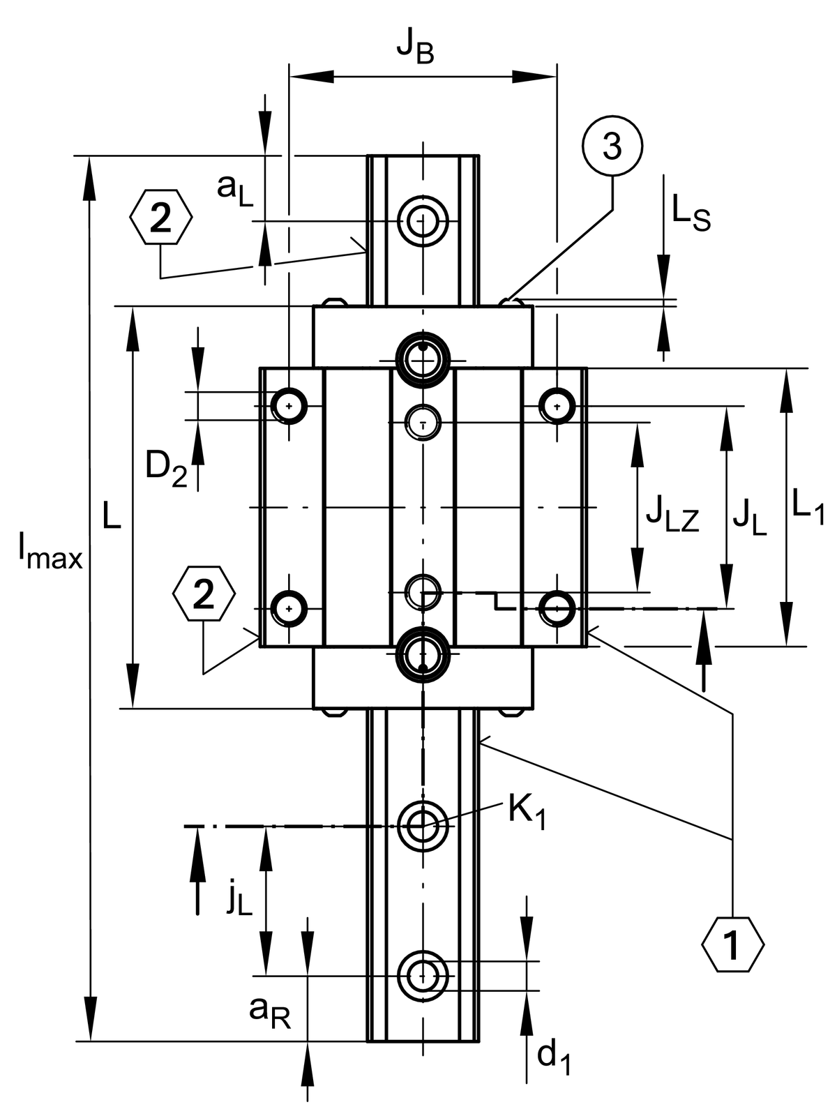
| H | 120 mm | height system |
| B | 250 mm | width carriage |
| L | 372.2 mm | overall length carriage 1 |
| C | 630,000 N | dynamic load rating 2 |
| C0 | 1,490,000 N | dynamic load rating 2 |
| M0x | 33,780 Nm | static moment rating about X axis |
| M0y | 80,250 Nm | static moment rating about Y axis |
| M0Z | 72,280 Nm | static moment rating about Z axis |
| ≈m | 35.7 kg | Weight |
| A1 | 75 mm | |
| JB | 200 mm | |
| b | 100 mm | width rail |
| A2 | 25 mm | |
| L1 | 306.5 mm | |
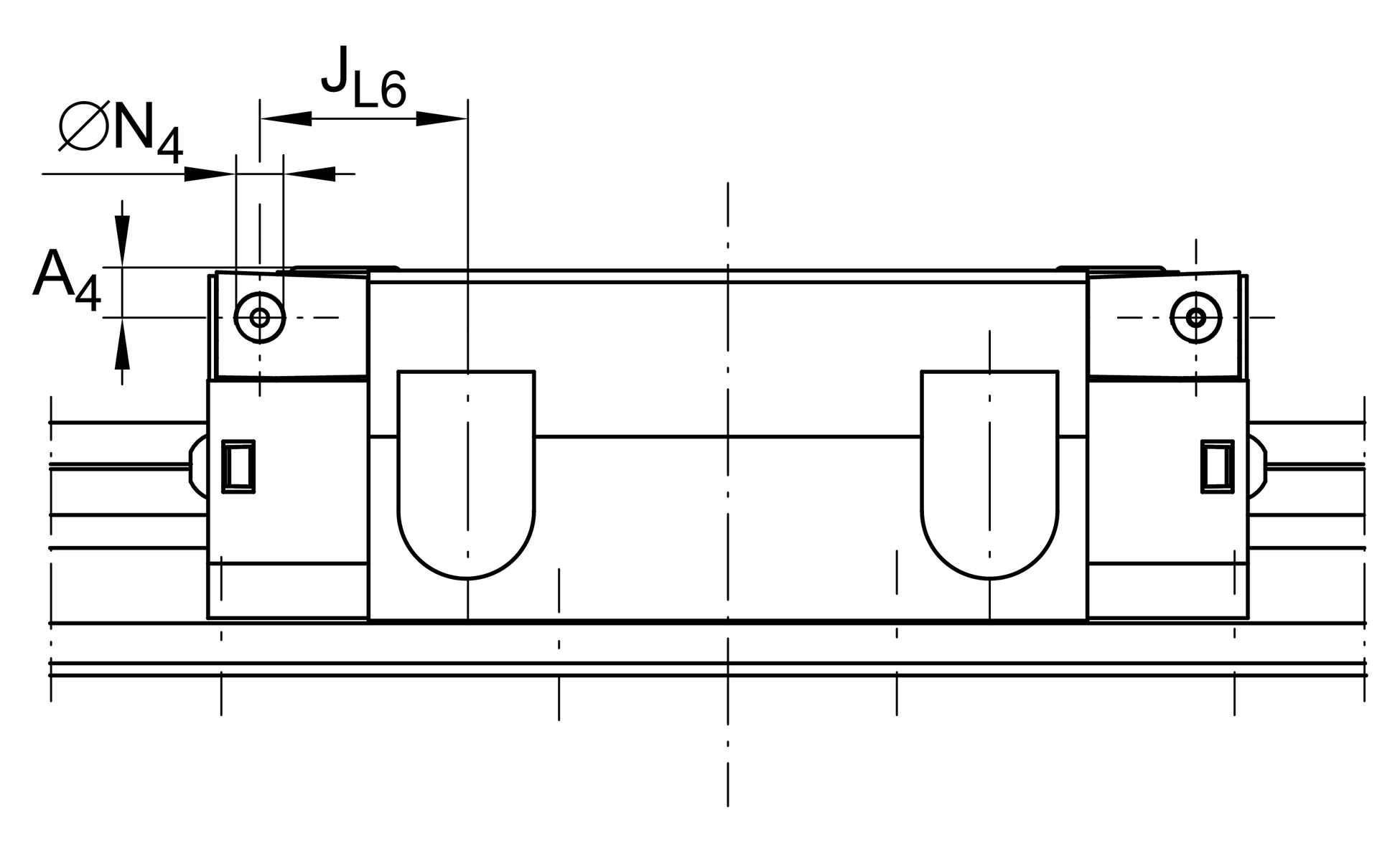
| LS | 3.3 mm | |
| JL | 230 mm | |
| H1 | 15 mm | |
| H4 | 52.5 mm | |
| H5 | 25 mm | |
| T5 | 29 mm | |
| T6 | 26.6 mm | |
| G2 | M20 | fixing screws below (DIN ISO 4762-12.9) |
| G2 MA | 470 Nm | maximum tightening torque 3 |
| K3 | M16 | fixing screws below (DIN ISO 4762-12.9) |
| K3 MA | 340 Nm | maximum tightening torque 3 |
| K6 | M16 | fixing screws below (DIN 7984-8.8) |
| K6 MA | 220 Nm | maximum tightening torque 3 |
| D2 | 17.5 mm | bore diameter |
| A3 | 10.6 mm | position lubrication connector |
| N3 | M6 | lubrication connector |
| t N3 | 6 mm | maximum permissible screw depth for lubrication connectors |
| A4 | 10.6 mm | position lubrication connector |
| N4 | 5.6 mm | lubrication connector |
| t N4 | 6 mm | maximum permissible screw depth for lubrication connectors |
| JL6 | 65.1 mm | position lubrication connector |
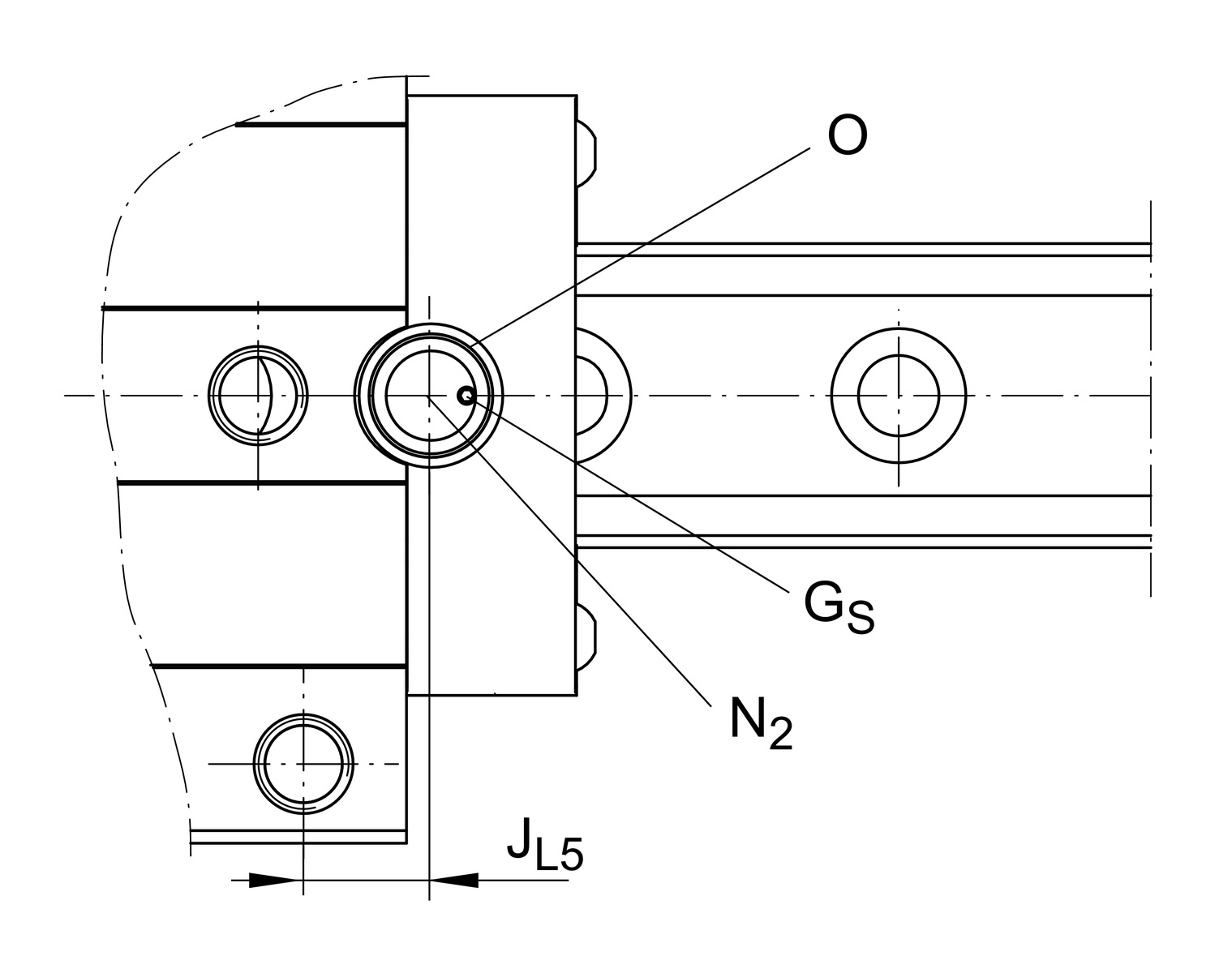
| N2 | 6 mm | max. diameter of lubrication hole in adjacent construction 4 |
| JL5 | 47.15 mm | position lubrication connector 5 |
| GS | M4x4 | |
| O | 10x1,5 | O-Ring DIN 3771 |
| VMKB_065 | RWU | Material name |
| Size code | 100 | |
| Version | E | version |
| Carriage design | L | Long carriage |