PRODUCTS

  • Home
  • Giới thiệu sản phẩm

INA
AM85
Precision locknut AM85
Thêm vào yêu cầu báo giá
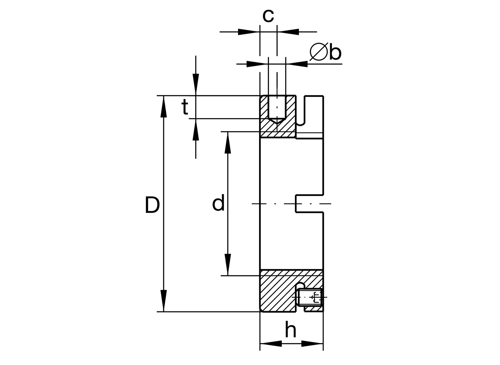
Main Dimensions & Performance Data
d
M85X2
Thread
D
115 mm
Outside diameter
h
30 mm
Height
FaB
690,000 N
Breaking load, axial
ML
930 Nm
Breakawag
MAL
180 Nm
Mounting torque reference
Mm
24.8 kg*cm2
Mass moment of inertia
≈m
850.27 g
Weight

Mounting dimensions
Mm
20 Nm
Mounting torque set screw

Dimensions
b
8 mm
Bore diameter blind hole
t
10 mm
Depth blind hole
d1
102 mm
Pitch circle diameter 1 (holes)
c
10 mm
Distance bore
m
M10
Threaded - threaded pin
H11
Bore diameter blind hole housing fit
Thêm vào yêu cầu báo giá