PRODUCTS

  • Home
  • Giới thiệu sản phẩm

INA
AM35
Precision locknut AM35
Thêm vào yêu cầu báo giá
Main Dimensions & Performance Data
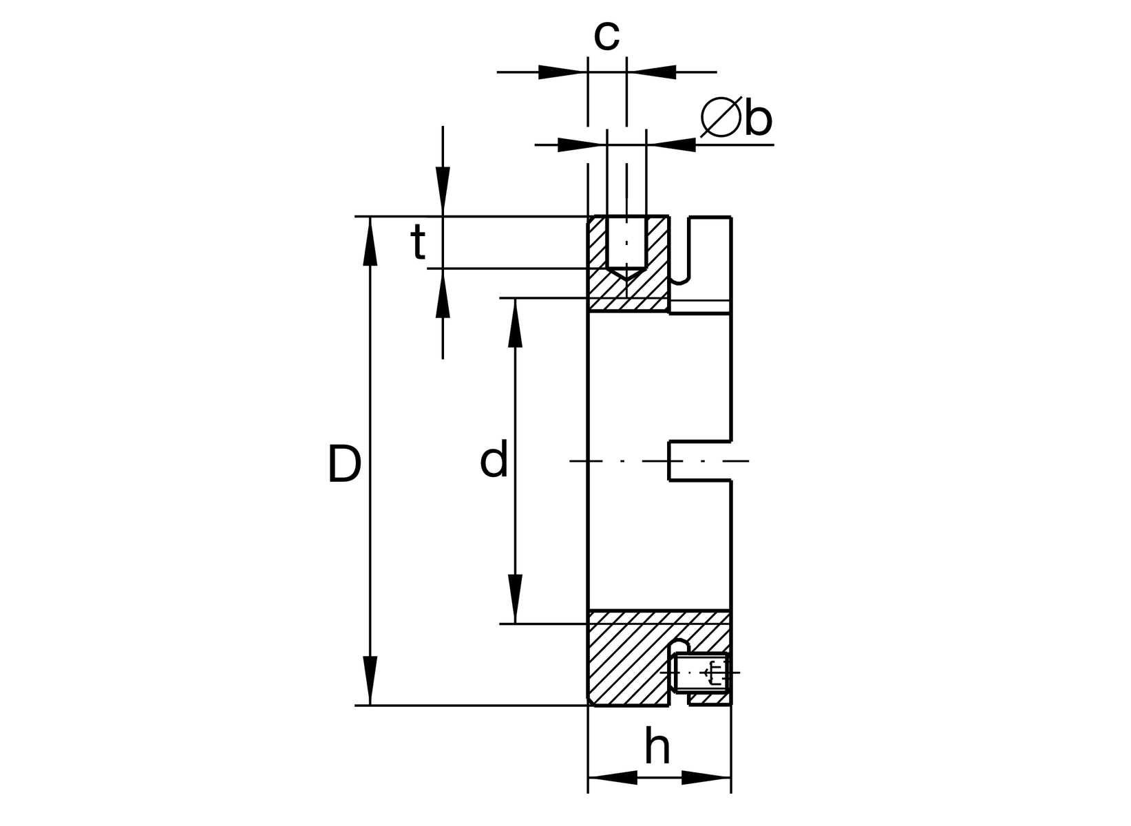
d
M35X1,5
Thread
D
65 mm
Outside diameter
h
22 mm
Height
FaB
330,000 N
Breaking load, axial
ML
100 Nm
Breakawag
MAL
40 Nm
Mounting torque reference
Mm
2.4 kg*cm2
Mass moment of inertia
≈m
320 g
Weight

Mounting dimensions
Mm
5 Nm
Mounting torque set screw

Dimensions
b
6 mm
Bore diameter blind hole
t
8 mm
Depth blind hole
d1
58 mm
Pitch circle diameter 1 (holes)
c
6 mm
Distance bore
m
M6
Threaded - threaded pin
H11
Bore diameter blind hole housing fit
Thêm vào yêu cầu báo giá