PRODUCTS

  • Home
  • Giới thiệu sản phẩm

INA
SL185016-XL
Cylindrical roller bearing SL185016-XL
Thêm vào yêu cầu báo giá
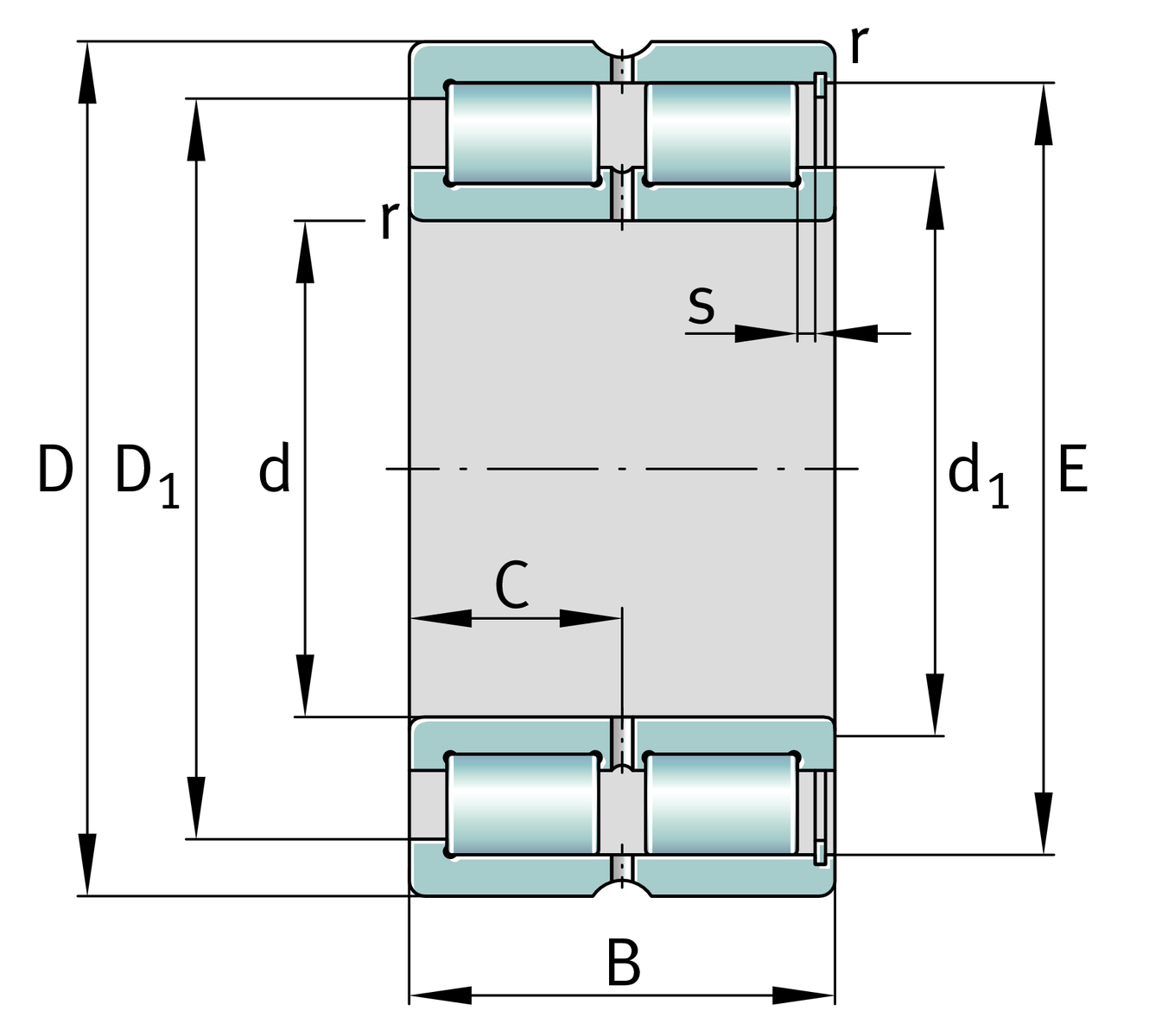
Main Dimensions & Performance Data
d
80 mm
Bore diameter
D
125 mm
Outside diameter
B
60 mm
Width
Cr
330,000 N
Basic dynamic load rating, radial
C0r
440,000 N
Basic static load rating, radial
Cur
83,000 N
Fatigue load limit, radial
nG
3,200 1/min
Limiting speed
nϑr
2,320 1/min
Reference speed
≈m
2.59 kg
Weight

Mounting dimensions
dc min
95 mm
Minimum shaft shoulder
da min
95 mm
Minimum diameter shaft shoulder
Da max
111.7 mm
Maximum diameter of housing shoulder
ra max
1.1 mm
Maximum recess radius
ra1 max
2 mm
Maximum recess radius
De min
111.7 mm
Minimum diameter of housing shoulder

Dimensions
rmin
1.1 mm
Minimum chamfer dimension
r1 min
2 mm
Minimum chamfer dimension
s
3.5 mm
Axial displacement
C
30 mm
Distance to lubrication hole
d1
95 mm
Maximum rib diameter inner ring
D1 min
111.7 mm
Minimum rib diameter outer ring
E
116.99 mm
Raceway diameter outer ring

Temperature range
Tmin
-30 °C
Operating temperature min.
Tmax
120 °C
Operating temperature max.

Your current product variant
DesignAInternal Variant A
Number of rolling element rows2Double-row design
Thêm vào yêu cầu báo giá