PRODUCTS

  • Home
  • Giới thiệu sản phẩm

FAG
UCFC210-32
Flanged housing unit UCFC210-32
Thêm vào yêu cầu báo giá
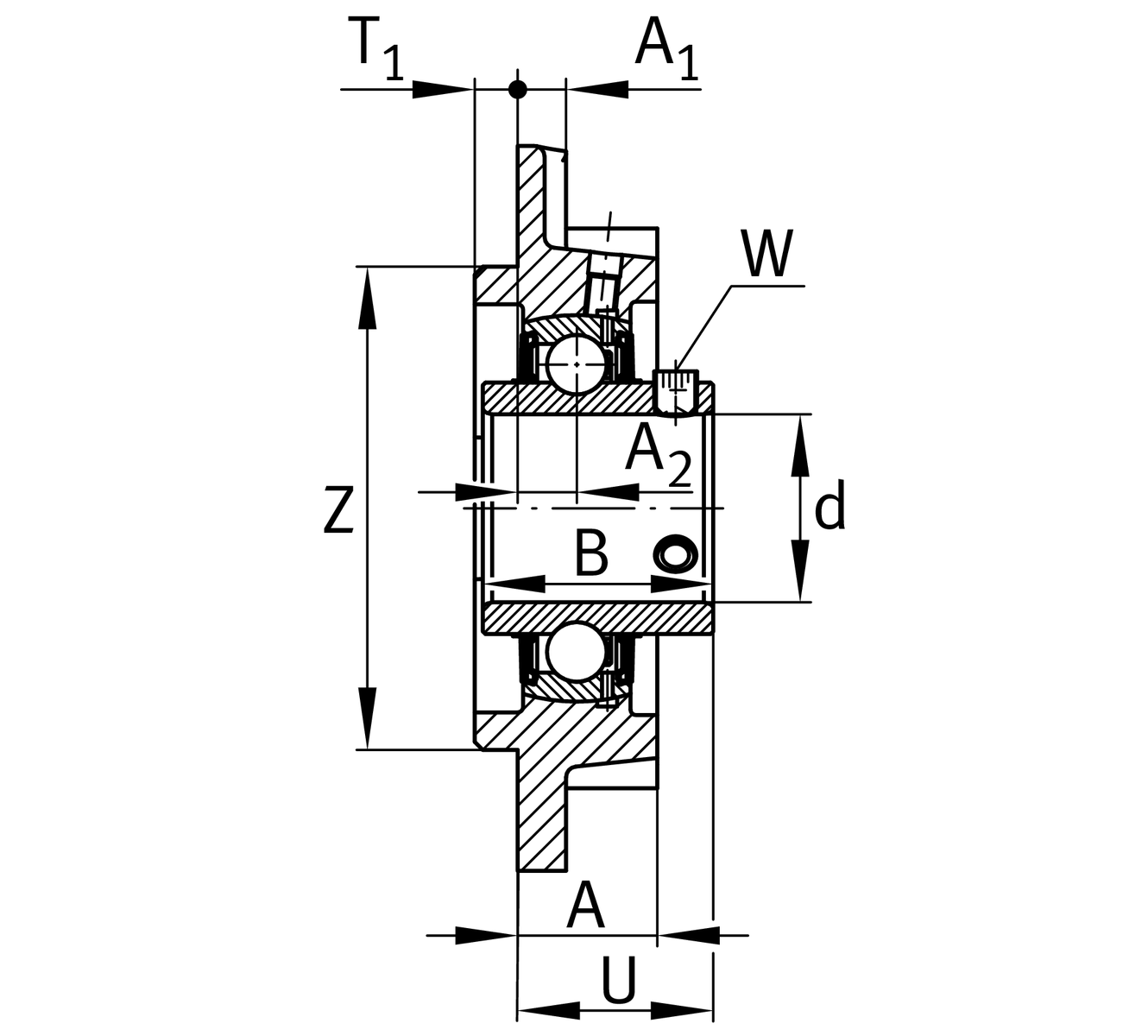
Main Dimensions & Performance Data
d
50.8 mm
Bore diameter
H
165 mm
Height flange
U
42.6 mm
Total height unit
Cr
35,000 N
Basic dynamic load rating, radial
C0r
23,200 N
Basic static load rating, radial
Cur
990 N
Fatigue load limit, radial
≈m
2.95 kg
Weight

Mounting dimensions
J
138 mm
Distance fixing bore
J
138 mm
Pitch circle diameter (holes)
N
16 mm
Fixing bore
N1
97.6 mm
Distance fixing bore
T1
12 mm
Height spigot
Z
110 mm
Diameter spigot
h8
Diameter spigot clearance
n
4
Number of screwing holes

Dimensions
A
28 mm
Height housing
A1
14 mm
Thickness of flange
A2
10 mm
Distance raceway
B
51.6 mm
Width
Q
M6
Connection thread for lubrication

Additional information
1
Number of housings
FC210
Housing
UC210-32
Bearing designation

Temperature range
Tmin
-20 °C
Operating temperature min.
Tmax
120 °C
Operating temperature max.

Your current product variant
MaterialGGGrey cast iron
Thêm vào yêu cầu báo giá