PRODUCTS

  • Home
  • Giới thiệu sản phẩm

INA
ZARF50115-TV
Needle roller/axial cylindrical roller bearing ZARF50115-TV
Thêm vào yêu cầu báo giá
Main Dimensions & Performance Data
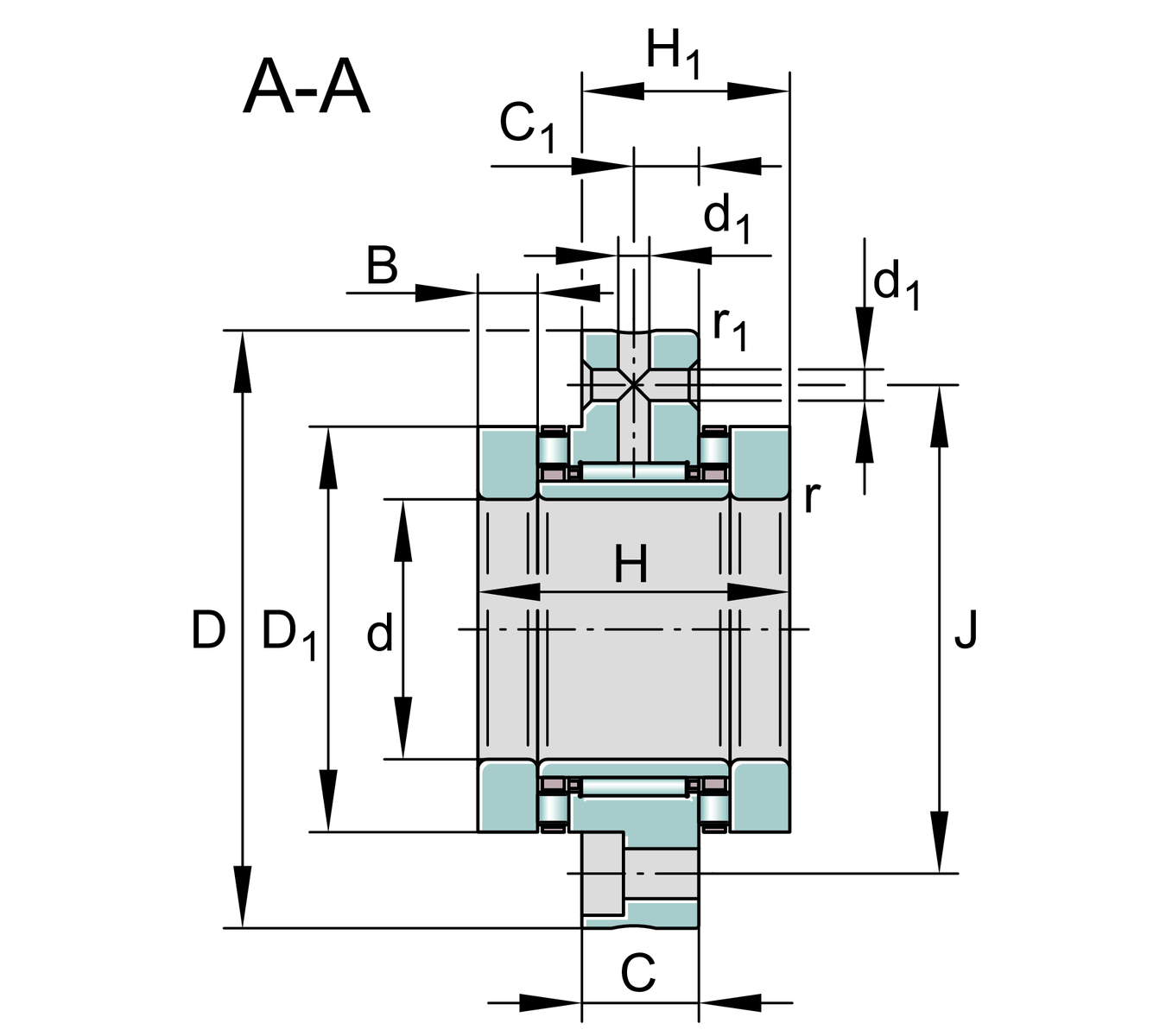
d
50 mm
Bore diameter
D
115 mm
Outside diameter
H
60 mm
Hight
Ca
90,000 N
Basic dynamic load rating, axial
C0a
300,000 N
Basic static load rating, axial
Cr
40,000 N
Basic dynamic load rating, radial
C0r
82,000 N
Basic static load rating, radial
Cua
28,000 N
Fatigue load limit, axial
Cur
11,500 N
Fatigue load limit, radial
nG Oil
3,600 1/min
Limiting speed for oil lubrication
nG Grease
1,200 1/min
Limiting speed for grease lubrication
MRL
2.2 Nm
Bearing friction torque
≈m
1.861 kg
Weight

Mounting dimensions
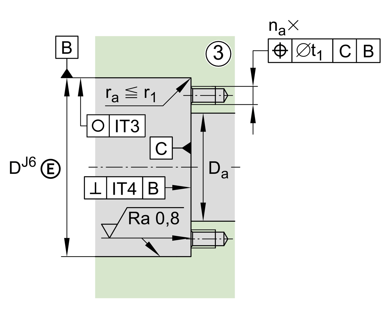
Da max
79 mm
Maximum diameter of housing shoulder
da min
67 mm
Minimum diameter shaft shoulder
t1
0.2 mm
Position bore in the housing

Dimensions
H1
40 mm
Height outer ring over wave washer
C
22.5 mm
Width, outer ring
C1
12.5 mm
Distance to lubrication hole
D1
78 mm
Rip diameter shaft washer
B
11.5 mm
Width, inner ring
rmin
0.3 mm
Minimum chamfer dimension
r1 min
0.6 mm
Minimum chamfer dimension
d1
6 mm
Diameter lubrication hole
J
94 mm
Pitch circle diameter (holes)
n
12
Number of screwing holes
n x t
30 °
Split

Temperature range
Tmin
-30 °C
Operating temperature min.
Tmax
120 °C
Operating temperature max.

Additional information
caL
4,800 N/µm
Rigidity axial
ckL
2,470 Nm/mrad
Tilting stiffness
Mm
8.42 kg*cm2
Mass moment of inertia
1 µm
Axial runout
radial
ZMA50/75
Recommended INA precision locknut for radial locking (not included)
axial
AM50
Recommended INA precision locknut for axial locking (not included)
MA
85 Nm
Tightening torque nut
18,410 N
Required locknut force
M8
Screw size
na
12
Number of screws
na x ta
30 °
Division (screwing holes)

Your current product variant
CageTVPlastic Cage made from PA66
Thêm vào yêu cầu báo giá